| CAD 模型: | View CAD Model |
| Pkg. Type: | QFN |
| Pkg. Code: | LJA |
| Lead Count (#): | 48 |
| Pkg. Dimensions (mm): | 7.01 x 7.01 x 0.90 |
| Pitch (mm): | 0.5 |
| Moisture Sensitivity Level (MSL) | 3 |
| Pb (Lead) Free | Yes |
| ECCN (US) | |
| HTS (US) |
| Pkg. Type | QFN |
| Lead Count (#) | 48 |
| Carrier Type | Tube |
| Moisture Sensitivity Level (MSL) | 3 |
| Pb (Lead) Free | Yes |
| Pb Free Category | Pb-Free 100% Matte Tin Plate w/Anneal-e3 |
| Temp. Range (°C) | -40 to +85°C |
| Bandwidth (MHz) | 500 |
| Configuration | Dual, Triple 4 to 1 |
| Diff Gain (%) | 0.008 |
| Diff Phase (°) | 0.01 |
| Gain Min | 1.94 |
| IOUT (A) | 0.135 |
| IS (mA) | 88 |
| Length (mm) | 7 |
| MOQ | 430 |
| Pitch (mm) | 0.5 |
| Pkg. Dimensions (mm) | 7.0 x 7.0 x 0.90 |
| Qualification Level | Standard |
| Slew Rate (V/µs) | 1600 |
| Thickness (mm) | 0.9 |
| Width (mm) | 7 |
Support is limited to customers who have already adopted these products.
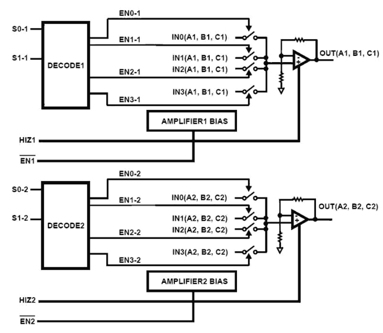
The ISL59482 contains two independent fixed gain of 2 triple 4:1 MUX amplifiers that feature high slew rate and excellent bandwidth for RGB video switching. Each RGB 4:1 MUX contains binary coded, channel select logic inputs (S0, S1), and separate logic inputs for High Impedance Output (HIZ) and power-down (EN) modes. The HIZ state presents a high impedance at the output so that both RGB MUX outputs can be wired together to form an 8:1 RGB MUX amplifier or, they can be used in R-R, G-G, and B-B pairs to form a 4:1 differential input/output MUX. Separate power-down mode controls (EN1, EN2, ) are included to turn off unneeded circuitry in power sensitive applications. With both EN pins pulled high, the ISL59482 enters a standby power mode consuming just 34mW.