跳转到主要内容

特性

  • Low Side External NFET Switch
  • Operates from -10V to -80V (-100V absolute max rating) or +10V to +80V (+100V absolute max rating)
  • Programmable Inrush Current
  • Programmable Electronic Circuit Breaker (overcurrent shutdown)
  • Programmable Overvoltage Protection
  • Programmable Undervoltage Lockout
  • Power Good Control Output
    • PWRGD Active High: (H Version) ISL6150
    • PWRGD active Low: (L Version) ISL6140
  • Pb-free available (RoHS compliant)

描述

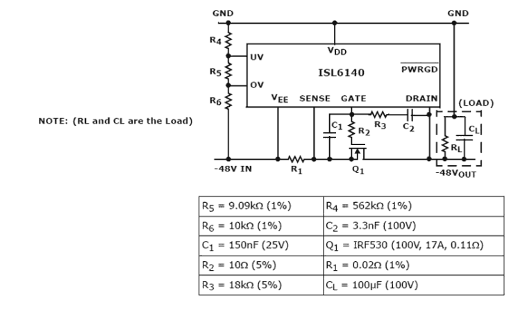
The ISL6140 is an 8 Ld, negative voltage hot plug controller that allows a board to be safely inserted and removed from a live backplane. Inrush current is limited to a programmable value by controlling the gate voltage of an external N-channel pass transistor. The pass transistor is turned off if the input voltage is less than the undervoltage threshold, or greater than the overvoltage threshold. A programmable electronic circuit breaker protects the system against shorts. The active low PWRGD signal can be used to directly enable a power module (with a low enable input). The ISL6150 is the same part, but with an active high PWRGD signal.

应用

  • VoIP (Voice over Internet Protocol) Servers
  • Telecom systems at -48V
  • Negative Power Supply Control
  • +24V Wireless Base Station Power

当前筛选条件