| CAD 模型: | View CAD Model |
| Pkg. Type: | QFN |
| Pkg. Code: | LJR |
| Lead Count (#): | 40 |
| Pkg. Dimensions (mm): | 5.99 x 5.99 x 0.90 |
| Pitch (mm): | 0.5 |
| Pb (Lead) Free | No |
| Moisture Sensitivity Level (MSL) | |
| ECCN (US) | |
| HTS (US) |
| Lead Count (#) | 40 |
| Carrier Type | Reel |
| Pb (Lead) Free | No |
| Temp. Range (°C) | -40 to +85°C |
| Bias Voltage Range (V) | 4.75 - 5.25 |
| Droop | Yes |
| Input Voltage (Max) (V) | 5.25 |
| Input Voltage (Min) (V) | 4.75 |
| Integrated MOSFET Driver (s) | No |
| Length (mm) | 6 |
| MOQ | 4000 |
| Output Current (Max) [Rail 1] (A) | 90 |
| Output Voltage (Max) (V) | 1.5 |
| Output Voltage (Min) (V) | 0.3 |
| Outputs (Max) (#) | 1 |
| Parametric Applications | IMVP-6 |
| Parametric Category | Multiphase DC/DC Switching Controllers |
| Phases (Max) | 3 |
| Pitch (mm) | 0.5 |
| Pkg. Dimensions (mm) | 6.0 x 6.0 x 0.90 |
| Pkg. Type | QFN |
| Qualification Level | Standard |
| Thickness (mm) | 0.9 |
| VID | Yes |
| Width (mm) | 6 |
Support is limited to customers who have already adopted these products.
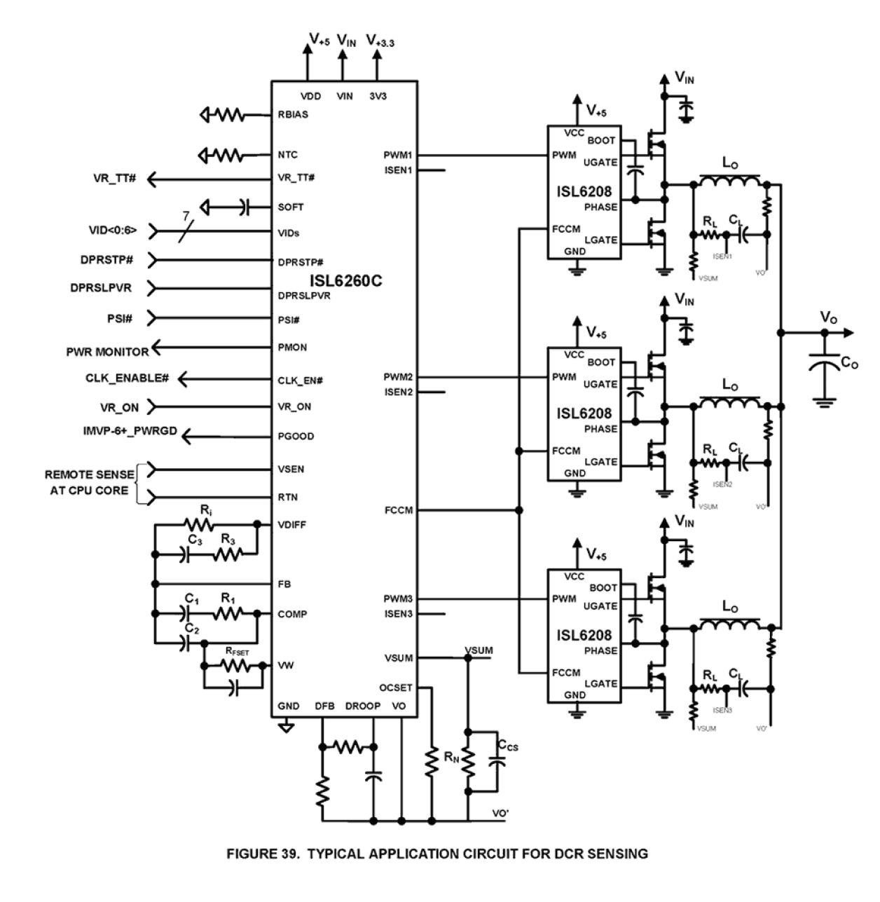
The ISL6260C is a multiple phase PWM buck regulator for microprocessor core power supply. The multiple phase implementation results in better system performance, superior thermal management, lower component cost, reduced power dissipation, and smaller implementation area. The ISL6260C multiphase controller together with ISL6208 external gate drivers provide a complete solution to power Intel's mobile microprocessors. The PWM modulator of ISL6260C is based on Renesas' Robust Ripple Regulator technology (R3). Compared with the traditional multiphase buck regulator, the R3 modulator commands variable switching frequency during load transients, which achieves faster transient response. With the same modulator, the switching frequency is reduced at light load conditions resulting higher operation efficiency. Intel Mobile Voltage Positioning (IMVP) reduces power dissipation for Intel Pentium processors. The ISL6260C is designed to be completely compliant with IMVP-6+ specifications. ISL6260C responds to PSI# signal by adding or dropping PWM2 and adjusting overcurrent protection accordingly. To reduce audible noise, the DPRSLPVR signal can be used to reduce output voltage slew rates when entering and exiting Deeper Sleep State according to Intel specification. The ISL6260C has several other key features. ISL6260C reports output power through a power monitor pin. Current sense can be achieved by using either inductor DCR or discrete precision resistor. In the case of DCR current sensing, a single NTC thermistor is used to thermally compensate the inductor DCR variation with temperature. A unity gain, differential amplifier is available for remote voltage sensing. This allows the voltage on the CPU die to be accurately regulated to meet Intel IMVP-6+ specifications.