| CAD 模型: | View CAD Model |
| Pkg. Type: | QFN |
| Pkg. Code: | LJR |
| Lead Count (#): | 40 |
| Pkg. Dimensions (mm): | 5.99 x 5.99 x 0.90 |
| Pitch (mm): | 0.5 |
| Moisture Sensitivity Level (MSL) | 3 |
| Pb (Lead) Free | Yes |
| RoHS (ISL6261ACRZ-T) | 下载 |
| ECCN (US) | |
| HTS (US) |
| Lead Count (#) | 40 |
| Carrier Type | Reel |
| Moisture Sensitivity Level (MSL) | 3 |
| Pb (Lead) Free | Yes |
| Pb Free Category | Pb-Free 100% Matte Tin Plate w/Anneal-e3 |
| Temp. Range (°C) | 0 to +70°C |
| Bias Voltage Range (V) | 4.5 - 5.5 |
| IS (Typical) | 2.4 |
| Input Voltage (Max) (V) | 25 |
| Input Voltage (Min) (V) | 5 |
| Length (mm) | 6 |
| MOQ | 4000 |
| Output Current (Max) [Rail 1] (A) | 25 |
| Output Voltage (Max) (V) | 1.2875 |
| Output Voltage (Min) (V) | 0.412 |
| Parametric Applications | IMVP-6+ |
| Parametric Category | Multiphase DC/DC Switching Controllers |
| Pitch (mm) | 0.5 |
| Pkg. Dimensions (mm) | 6.0 x 6.0 x 0.90 |
| Pkg. Type | QFN |
| Qualification Level | Standard |
| Thickness (mm) | 0.9 |
| VBIAS (Max) (V) | 5.5 |
| VBIAS (Min) (V) | 4.5 |
| VID | Yes |
| Width (mm) | 6 |
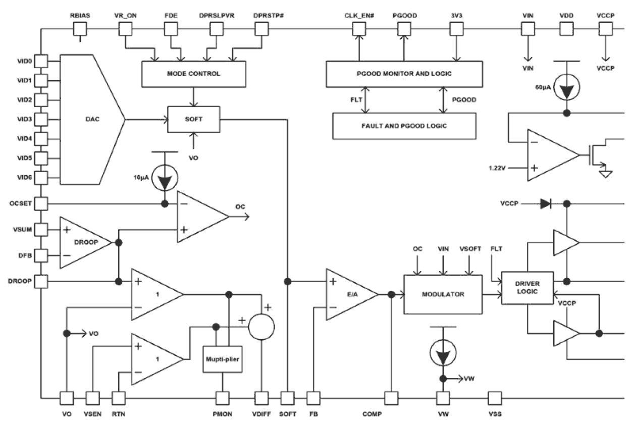
The ISL6261A is a single-phase buck regulator implementing lntel® IMVP-6® protocol, with embedded gate drivers. lntel® Mobile Voltage Positioning (IMVP) is a smart voltage regulation technology effectively reducing power dissipation in lntel® Pentium processors. The heart of the ISL6261A is the patented R3 Technology™, Intersil's Robust Ripple Regulator modulator. Compared with the traditional multi-phase buck regulator, the R3 Technology™ has faster transient response. This is due to the R3 modulator commanding variable switching frequency during a load transient. The ISL6261A provides three operation modes: the Continuous Conduction Mode (CCM), the Diode Emulation Mode (DEM) and the Enhanced Diode Emulation Mode (EDEM). To boost battery life, the ISL6261A changes its operation mode based on CPU mode signals DPRSLRVR and DPRSTP#, and the FDE pin setting, to maximize the efficiency. In CPU active mode, the ISL6261A commands the CCM operation. When the CPU enters deeper sleep mode, the ISL6261A enables the DEM to maximize the efficiency at light load. Asserting the FDE pin of the ISL6261A in CPU deeper sleep mode will enable the EDEM to further decrease the switching frequency at light load and increase the regulator efficiency. A 7-bit Digital-to-Analog Converter (DAC) allows dynamic adjustment of the core output voltage from 0. 300V to 1. 500V. The ISL6261A has 0. 5% system voltage accuracy over temperature. A unity-gain differential amplifier provides remote voltage sensing at the CPU die. This allows the voltage on the CPU die to be accurately measured and regulated per lntel® IMVP-6 specification. Current sensing can be implemented through either lossless inductor DCR sensing or precise resistor sensing. If DCR sensing is used, an NTC thermistor network will thermally compensates the gain and the time constant variations caused by the inductor DCR change. The ISL6261A provides the power monitor function through the PMON pin. PMON output is a high-bandwidth analog voltage signal representing the CPU instantaneous power. The power monitor function can be used by the system to optimize the overall power consumption, extending battery run time.