跳转到主要内容
瑞萨电子 (Renesas Electronics Corporation)

特性

  • Precision Single-phase Core Voltage Regulator
  • 0.5% System Accuracy 0 °C to +100 °C
  • Differential Remote GPU Die Voltage Sensing
  • Differential Droop Voltage Sensing
  • Real-time GPU Power Monitor Output
  • Applications Up to 25A
  • Input Voltage Range: +5.0V to +25.0V
  • Programmable PWM Frequency: 200kHz to 500kHz
  • Pre-biased Output Start-up Capability
  • 5-bit Voltage Identification Input (VID)
  • 1.28750V to 0.41200V
  • 25.75mV Steps
  • Sequential or Non-sequential VID Change On-the-fly
  • Configurable PWM Modes
  • Forced Continuous Conduction Mode
  • Automatic Entry and Exit of Diode Emulation Mode
  • Selectable Audible Frequency PWM Filter
  • Integrated MOSFET Drivers and Bootstrap Diode
  • Choice of Current Sensing Schemes
  • Lossless inductor DCR Current Sensing
  • Precision Resistive Current Sensing
  • Overvoltage, Undervoltage, and Overcurrent Protection
  • Pb-free (RoHS compliant)

描述

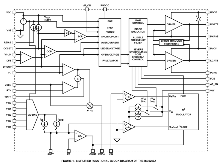
The ISL6263A IC is a Single-Phase Synchronous-Buck PWM voltage regulator featuring Intersil's Robust Ripple Regulator (R3) Technology™. The ISL6263A is an implementation of the Intel® Mobile Voltage Positioning (IMVP) protocol for GPU Render Engine core power. Integrated power monitor, droop amplifier, MOSFET drivers, and bootstrap diode result in smaller implementation area and lower component cost. Intersil's R3 Technology™ combines the best features of both fixed-frequency PWM and hysteretic PWM, delivering excellent light-load efficiency and superior load transient response by commanding variable switching frequency during the transitory event. For maximum conversion efficiency, the ISL6263A automatically enters diode emulation mode (DEM) should the inductor current attempt to flow negative. DEM is highly configurable and easy to setup. A PWM filter can be enabled that prevents the switching frequency from entering the audible spectrum as a result of extremely light load while in DEM. The Render core voltage can be dynamically programmed from 0.41200V to 1.28750V by the five VID input pins without requiring sequential stepping of the VID states. The ISL6263A requires only one capacitor for both the soft-start slew-rate and the dynamic VID slew-rate by internally connecting the SOFT pin to the appropriate current source. Processor socket Kelvin sensing is accomplished with an integrated unity-gain true differential amplifier.

当前筛选条件