跳转到主要内容

特性

  • Precision Two-phase Core Voltage Regulator
  • 0.5% System Accuracy Over-temperature
  • Voltage Positioning with Adjustable Load Line and Offset
  • Internal Gate Driver with 2A Driving Capability
  • Dynamic Phase Adding/Dropping
  • Differential Current Sensing: DCR or Resistor
  • Microprocessor Voltage Identification Input
  • 6-Bit VID Input
  • 0.775V to 1.55V in 25mV Steps
  • 0.375V to 0.7625V in 12.5mV Steps
  • Adjustable Reference-Voltage Offset
  • Audio Filter Enable/Disable
  • User Programmable Switching Frequency
  • Differential Remote CPU Die Voltage Sensing
  • Static and Dynamic Current Sharing
  • Overvoltage, Undervoltage, and Overcurrent Protection
  • Pb-Free (RoHS Compliant)

描述

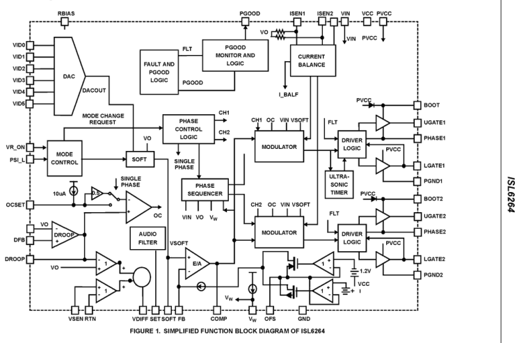
The ISL6264 is a two-phase buck controller with embedded gate drivers. The two-phase buck controller uses two interleaved channels to effectively double the output voltage ripple frequency and thereby reduce output voltage ripple amplitude with fewer components, lower component cost, reduced power dissipation, and smaller real estate area. ISL6264 can also be configured as single-phase controller for low power CPU applications. The heart of the ISL6264 is the patented R3 Technology™, Intersil's Robust Ripple Regulator modulator. Compared with the traditional multi-phase buck regulator, the R3 Technology™ has the fastest transient response. This is due to the R3 modulator commanding variable switching frequency during a load transient. To boost battery life, the ISL6264 supports PSI_L for deeper sleep mode via automatically enabling different operation modes. At heavy load operation of the active mode, the regulator commands the two phase continuous conduction mode (CCM) operation. While the PSI_L is asserted during the deeper sleep mode, the ISL6264 smoothly disables one phase and operates in a one-phase diode emulation mode (DE) to maximize the efficiency at light load. A 6-bit digital-to-analog converter (DAC) allows dynamic adjustment of the core output voltage from 0. 375V to 1. 55V. A 0. 5% system accuracy of the core output voltage over temperature at active mode is achieved by the ISL6264. A unity-gain differential amplifier is provided for remote CPU die sensing. This allows the voltage on the CPU die to be accurately measured and regulated per AMD mobile CPU specifications. Current sensing can be realized using either lossless inductor DCR sensing or precision resistor sensing. A single NTC thermistor network thermally compensates the gain and the time constant of the DCR variations.

当前筛选条件