跳转到主要内容
瑞萨电子 (Renesas Electronics Corporation)

特性

  • Supports AMD SVI 1.0 serial data bus interface
  • Dual output controller with integrated drivers
  • Core VR configurable 3-, 2-, 1-phase with two integrated drivers
  • Northbridge VR configurable 2- or 1-phase with one integrated driver
  • Precision voltage regulation
  • 0.5% system accuracy over-temperature
  • 0V to 1.55V in 12.5mV steps
  • Enhanced load line accuracy
  • Supports multiple current sensing methods
  • Lossless inductor DCR current sensing
  • Precision resistor current sensing
  • Programmable 1-, 2- or 3-phase for the core output and 1- or 2-phase for the northbridge output
  • Adaptive body diode conduction time reduction
  • Superior noise immunity and transient response
  • Output current monitor and thermal monitor
  • Differential remote voltage sensing
  • High efficiency across entire load range
  • Programmable +VID offset for both core and NB
  • Programmable switching frequency for both outputs
  • Excellent dynamic current balance between phases
  • OCP/WOC, OVP, PGOOD, and thermal monitor
  • Small footprint 48 Ld 6x6 QFN package
  • Pb-free (RoHS compliant)

描述

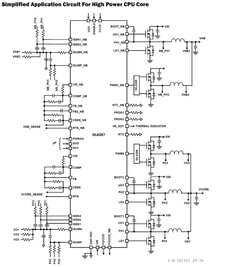
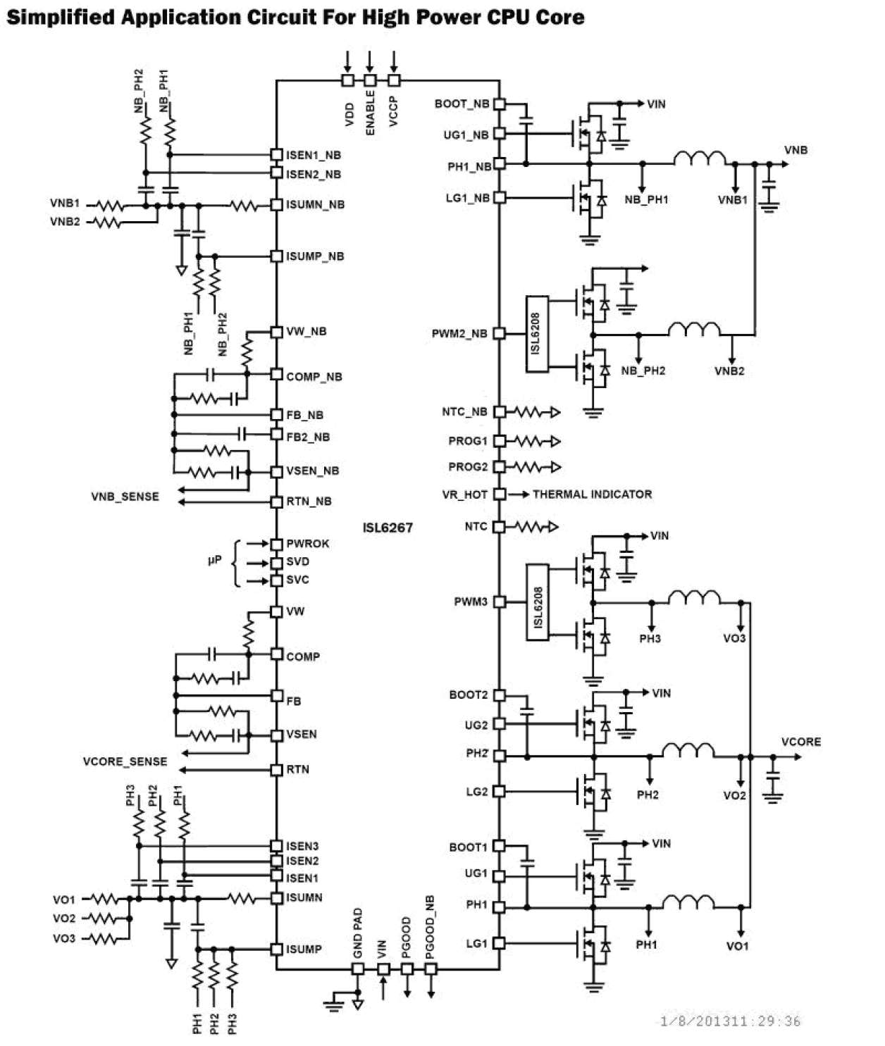
The ISL6267 is designed to be completely compliant with AMD Fusion™ specifications. The ISL6267 controls two Voltage Regulators (VRs), with three integrated gate drivers. The first VR can be configured as 3-, 2-, or 1-phase VR, while the second output can be configured as 2- or 1-phase VR, providing maximum flexibility. The two VRs share the serial control bus to communicate with the CPU and achieve lower cost and smaller board area compared with two-chip solutions. The PWM modulator of the ISL6267 is based on Intersil’s R3 (Robust Ripple Regulator) Technology™. Compared with the traditional multi-phase buck regulator, the R3 modulator commands variable switching frequency during load transients, achieving faster transient response. With the same modulator, it naturally goes into pulse frequency modulation in light load conditions, which achieves higher light load efficiency and extends battery life. The ISL6267 has several other key features. Both outputs support DCR current sensing with a single NTC thermostat for DCR temperature compensation or accurate resistor current sensing. Both of the outputs utilize remote voltage sense, adjustable switching frequency, current monitor, OC protection, independent power-good indicators, temperature monitors, and a common thermal alert.

应用

  • AMD fusion CPU/GPU core power
  • Notebook computer

当前筛选条件