跳转到主要内容
瑞萨电子 (Renesas Electronics Corporation)

特性

  • High performance R3™ Technology
  • Fast transient response
  • ±1% regulation accuracy: -10°C to +100°C and -40°C to +100°C
  • Wide input voltage range: +5.0V to +25.0V
  • Output voltage range: +0.6V to +3.3V
  • Wide output load range: 0A to 25A
  • Selectable diode emulation mode for increased light load efficiency
  • Programmable PWM frequency: 200kHz to 600kHz
  • Prebiased output start-up capability
  • Integrated MOSFET drivers and bootstrap diode
  • Internal digital soft-start
  • Power good monitor
  • Fault protection
  • Undervoltage protection
  • Soft crowbar overvoltage protection
  • Low-side MOSFET rDS(ON) overcurrent protection
  • Over-temperature protection
  • Fault identification by PGOOD pull down resistance
  • Pb-free (RoHS compliant)

描述

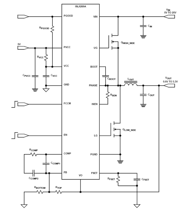
The ISL6269A IC is a Single-phase Synchronous-Buck PWM controller featuring Intersil's Robust Ripple Regulator R3™ Technology that delivers truly superior dynamic response to input voltage and output load transients. Integrated MOSFET drivers and bootstrap diode result in fewer components and smaller implementation area. Intersil’s R3™ Technology combines the best features of fixed-frequency PWM and hysteretic PWM while eliminating many of their shortcomings. R3™ Technology employs an innovative modulator that synthesizes an AC ripple voltage signal VR, analogous to the output inductor ripple current. The AC signal VR enters a window comparator where the lower threshold is the error amplifier output VCOMP, and the upper threshold is a programmable voltage reference VW, resulting in generation of the PWM signal. The voltage reference VW sets the steady-state PWM frequency. Both edges of the PWM can be modulated in response to input voltage transients and output load transients, much faster than conventional fixed-frequency PWM controllers. Unlike a conventional hysteretic converter, the ISL6269A has an error amplifier that provides ±1% voltage regulation at the FB pin. The ISL6269A has a 1. 5ms digital soft-start and can be started into a prebiased output voltage. A resistor divider is used to program the output voltage setpoint. The ISL6269A can be configured to operate in Continuous Conduction Mode (CCM) or Diode Emulation Mode (DEM), which improves light-load efficiency. In CCM the controller always operates as a synchronous rectifier, however when DEM is enabled, the low-side MOSFET is permitted to stay off, blocking negative current flow into the low-side MOSFET from the output inductor.

应用

  • PCI express graphical processing unit
  • Auxiliary power rail
  • VRM
  • Network adapter

当前筛选条件