跳转到主要内容
瑞萨电子 (Renesas Electronics Corporation)

特性

  • Precision Multiphase Core Voltage Regulation
  • Differential Remote Voltage Sensing
  • ±0.5% System Accuracy Over Life, Load, Line and Temperature
  • Adjustable Precision Reference-Voltage Offset
  • Precision RDS(ON) or DCR Current Sensing
  • Accurate Load-Line Programming
  • Accurate Channel-Current Balancing
  • Differential Current Sense
  • Microprocessor Voltage Identification Input
  • Dynamic VID™ Technology
  • 8-Bit VID Input with Selectable VR11 Code and Extended VR10 Code at 6.25mV Step
  • 0.5V to 1.600V operation range
  • Threshold-Sensitive Enable Function for Power Sequencing and VTT Enable
  • Thermal Monitoring
  • Programmable Temperature Compensation
  • Overcurrent Protection
  • Overvoltage Protection with OVP Output Indication
  • 2, 3, 4, 5 or 6 Phase Operation
  • Adjustable Switching Frequency up to 1MHz per Phase
  • QFN Package Option
  • QFN Compliant to JEDEC PUB95 MO-220 QFN - Quad Flat No Leads - Product Outline
  • QFN Near Chip Scale Package Footprint; Improves PCB Efficiency, Thinner in Profile
  • Pb-Free Plus Anneal Available (RoHS Compliant)

描述

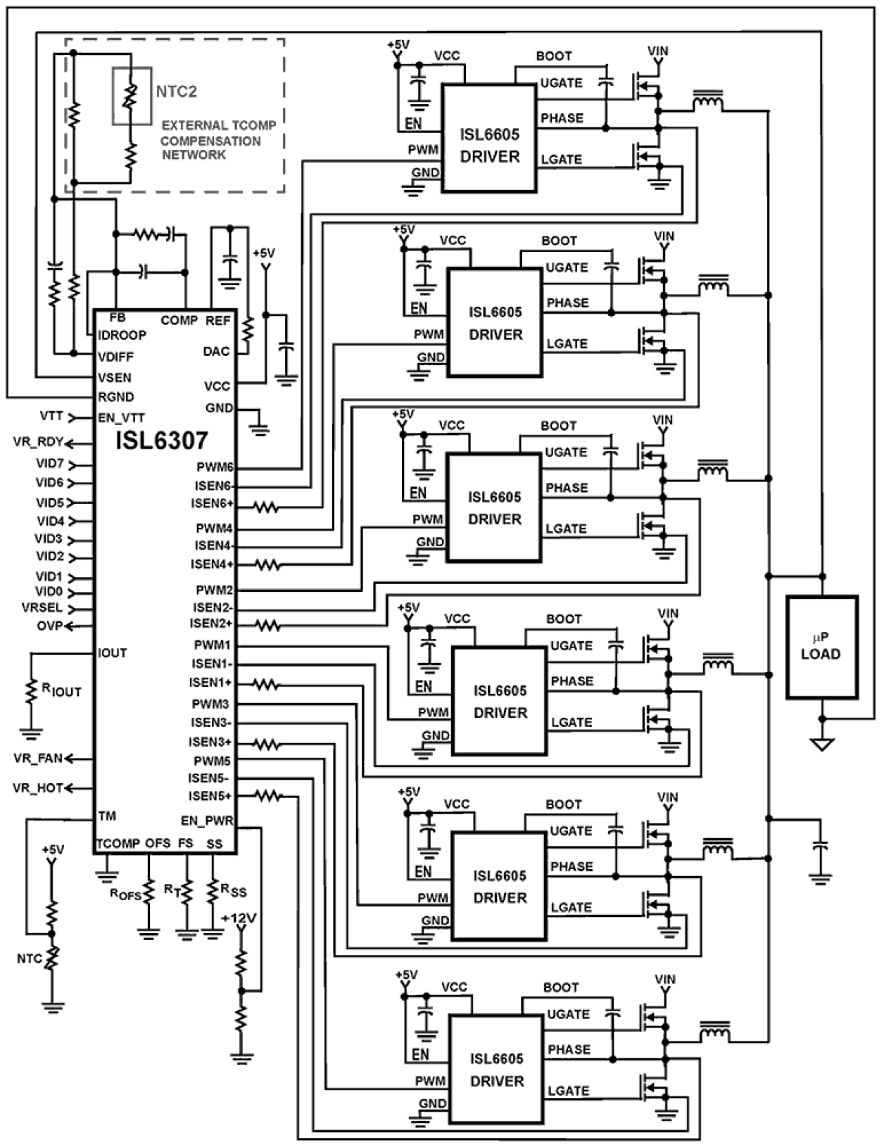
The ISL6307 controls microprocessor core voltage regulation by driving up to 6 synchronous-rectified buck channels in parallel. Multiphase buck converter architecture uses interleaved timing to multiply channel ripple frequency and reduce input and output ripple currents. Lower ripple results in fewer components, lower component cost, reduced power dissipation, and smaller implementation area. Microprocessor loads can generate load transients with extremely fast edge rates. The ISL6307 features a high bandwidth control loop and ripple frequencies up to 6MHz to provide optimal response to the transients. today's microprocessors require a tightly regulated output voltage position versus load current (droop). The ISL6307 senses current by utilizing patented techniques to measure the voltage across the on resistance, RDS(ON), of the lower MOSFETs or DCR, of the output inductor during the lower MOSFET conduction intervals. Current sensing provides the needed signals for precision droop, channel-current balancing, and overcurrent protection. A programmable internal temperature compensation function is implemented to effectively compensate for the temperature coefficient of the current sense element. A unity gain, differential amplifier is provided for remote voltage sensing. Any potential difference between remote and local grounds can be completely eliminated using the remote-sense amplifier. Eliminating ground differences improves regulation and protection accuracy. The thresholdsensitive enable input is available to accurately coordinate the start up of the ISL6307 with any other voltage rail. Dynamic-VID™ technology allows seamless on-the-fly VID changes. The offset pin allows accurate voltage offset settings that are independent of VID setting.

当前筛选条件