跳转到主要内容
瑞萨电子 (Renesas Electronics Corporation)

特性

  • Intel VR11.1 compliant
  • Proprietary Active Pulse Positioning (APP) and Adaptive Phase Alignment (APA) modulation scheme
  • Proprietary active phase adding and dropping with diode emulation scheme for high light-load efficiency
  • Precision multiphase core voltage regulation
  • Differential remote voltage sensing
  • ±0.5% Closed-loop system accuracy over load, line and temperature
  • Bi-directional, adjustable reference-voltage offset
  • Precision resistor or DCR differential current sensing
  • Accurate load line (droop) programming
  • Accurate channel-current balancing
  • Accurate load current monitoring via IMON pin
  • Microprocessor voltage identification input
  • Dynamic VID™ technology for VR11.1 requirement
  • 8-Bit VID, VR11 compatible
  • Average overcurrent protection and channel current limit
  • Precision overcurrent protection on IMON pin
  • Thermal monitoring and overvoltage protection
  • Integrated programmable temperature compensation
  • Integrated open sense line protection
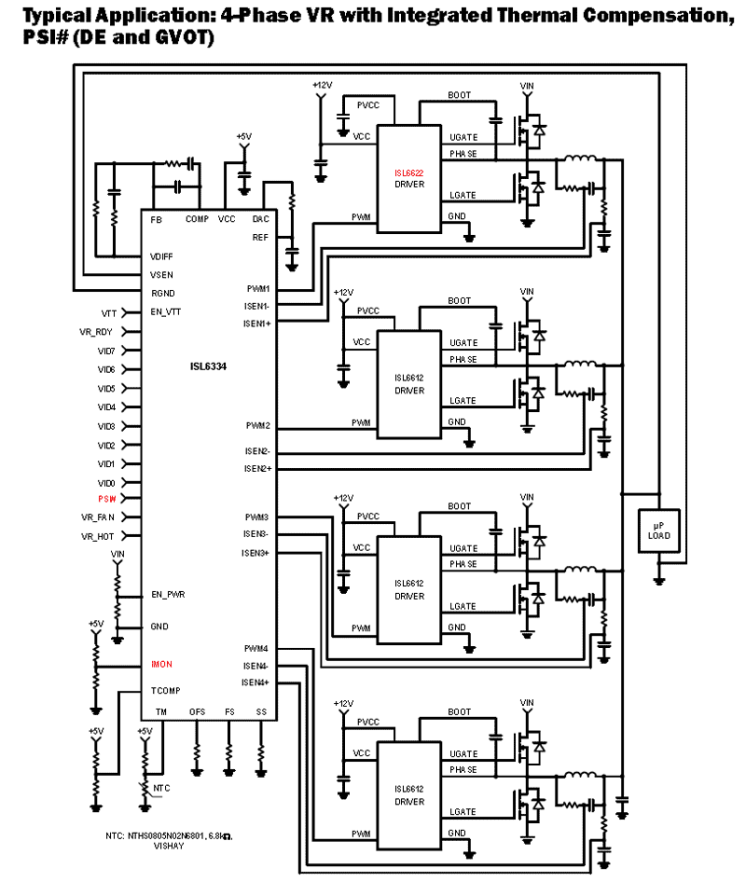
  • 1- to 4-phase operation, coupled inductor compatibility
  • Adjustable switching frequency up to 1MHz per phase
  • Package option
  • QFN compliant to JEDEC PUB95 MO-220 QFN (Quad Flat No Leads) package outline
  • Pb-free (RoHS Compliant)

描述

The ISL6334, ISL6334A control microprocessor core voltage regulation by driving up to 4 interleaved synchronous-rectified buck channels in parallel. This multiphase architecture results in multiplying channel ripple frequency and reducing input and output ripple currents. Lower ripple results in fewer components, lower cost, reduced power dissipation and smaller implementation area. Microprocessor loads can generate load transients with extremely fast edge rates and requires high efficiency at light load. The ISL6334, ISL6334A utilizes Intersil's proprietary Active Pulse Positioning (APP), Adaptive Phase Alignment (APA) modulation scheme, active phase adding and dropping to achieve and maintain the extremely fast transient response with fewer output capacitors and high efficiency from light to full load. The ISL6334, ISL6334A is designed to be completely compliant with Intel VR11. 1 specifications. It accurately reports the load current via IMON pin to the microprocessor, which sends an active low PSI# signal to the controller at low power mode. The controller then enters 1- or 2-phase operation with diode emulation option to reduce magnetic core and switching losses, yielding high efficiency at light load. After the PSI# signal is deasserted, the dropped phase(s) are added back to sustain heavy load transient response and efficiency. Today’s microprocessors require a tightly regulated output voltage position versus load current (droop). The ISL6334, ISL6334A senses the output current continuously by utilizing patented techniques to measure the voltage across the dedicated current sense resistor or the DCR of the output inductor. The sensed current flows out of FB pin to develop the precision voltage drop across the feedback resistor for droop control. Current sensing circuits also provide the needed signals for channel-current balancing, average overcurrent protection and individual phase current limiting. An NTC thermistor’s temperature is sensed via TM pin and internally digitized for thermal monitoring and for integrated thermal compensation of the current sense elements. A unity gain, differential amplifier is provided for remote voltage sensing and completely eliminates any potential difference between remote and local grounds. This improves regulation and protection accuracy. The threshold-sensitive enable input is available to accurately coordinate the start-up of the ISL6334, ISL6334A with any other voltage rail. Dynamic-VID™ technology allows seamless on-the-fly VID changes. The offset pin allows accurate voltage offset settings that are independent of VID setting.

当前筛选条件