跳转到主要内容

特性

  • Intel VR11.1 Compliant
  • Proprietary Active Pulse Positioning and Pin Adaptive Phase Alignment Modulation Scheme
  • Proprietary Active Phase Adding and Dropping with Diode Emulation for High Efficiency at Light Load
  • Precision Multiphase Core Voltage Regulation
  • Differential Remote Voltage Sensing
  • ±0.5% System Accuracy Over Life, Load, Line and Temperature
  • Bi-directional Adjustable Reference-Voltage Offset
  • Precision Resistor or DCR Current Sensing
  • Accurate Load-Line Programming
  • Accurate Channel-Current Balancing
  • Accurate Current Monitoring Output Pin (IMON)
  • Microprocessor Voltage Identification Input
  • Dynamic VID™ Technology
  • 8-Bit VID Input With VR11 Code
  • Thermal Monitor and OV Protection with OVP Output
  • Average Overcurrent Protection and Channel Current Limit
  • Precision Overcurrent Protection on IMON pin
  • Integrated Open Sense Line Protection
  • Integrated Programmable Temperature Compensation
  • 1- to 6-Phase Operation; Coupled Inductor Compatible
  • Adjustable Switching Frequency up to 1MHz Per Phase
  • Package Option
  • QFN Compliant to JEDEC PUB95 MO-220 QFN - Quad Flat No Leads - Product Outline
  • Pb-Free (RoHS Compliant)

描述

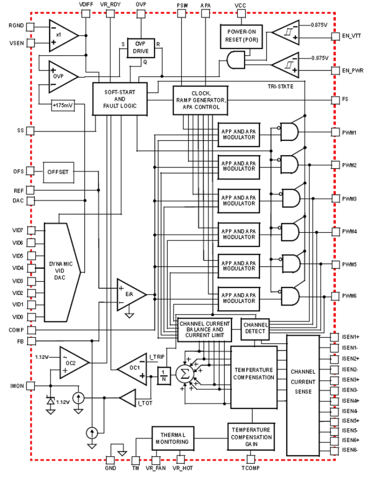
The ISL6336, ISL6336A controls microprocessor core voltage regulation by driving up to 6 interleaved synchronous-rectified buck channels in parallel. Multiphase buck converter architecture uses interleaved timing to multiply channel ripple frequency and reduce input and output ripple currents. Lower ripple results in fewer components, lower component cost, reduced power dissipation, and smaller implementation area. Microprocessor loads can generate load transients with extremely fast edge rates and require high efficiency over the full load range. The ISL6336, ISL6336A utilizes Intersil's proprietary Active Pulse Positioning (APP) and Adaptive Phase Alignment (APA) modulation scheme and a proprietary active phase dropping/adding and diode emulation scheme to achieve extremely fast transient response with fewer output capacitors and high efficiency from light load to full load. The ISL6336, ISL6336A is compliant with Intel’s VR11. 1 specification. Features include a pin (IMON) for current monitoring and a Power State Indicator (PSI#) input pin to initiate a proprietary phase dropping and diode emulation scheme for higher efficiency at light load by dropping to 1- or 2-phase operation with optional diode emulation (ISL6336) to reduce switching and core losses in the converter. After the PSI# signal is de-asserted, the dropped phase(s) are added back to sustain heavy load transient and efficiency. Today’s microprocessors require a tightly regulated output voltage position versus load current (droop). The ISL6336, ISL6336A senses the output current continuously by utilizing patented techniques to measure the voltage across a dedicated current sense resistor or the DCR of the output inductor. Current sensing provides the needed signals for precision droop, channel-current balancing, and overcurrent protection. A programmable integrated temperature compensation function is implemented to effectively compensate the temperature variation of the current sense element. A current limit function provides overcurrent protection for the individual phase. A unity gain, differential amplifier is provided for remote voltage sensing and eliminates any potential difference between remote and local grounds. This improves regulation and protection accuracy. The threshold-sensitive enable input is available to accurately coordinate the start up of the ISL6336, ISL6336A with any other voltage rail. Dynamic-VID™ technology allows seamless on-the-fly VID changes. The offset pin allows accurate voltage offset settings that are independent of VID setting.

当前筛选条件