跳转到主要内容
瑞萨电子 (Renesas Electronics Corporation)

特性

  • Serial Data Bus (SVID)
  • Dual Outputs:
  • Configurable 4, 3, 2 or 1-phase for the 1st Output with 2 Integrated Gate Drivers
  • 1-phase for the 2nd Output with Integrated Gate Driver
  • Precision Core Voltage Regulation
  • 0.5% System Accuracy Over-Temperature
  • Enhanced Load Line Accuracy
  • PS2 Compensation and High Frequency Load Transient Compensation
  • Differential Remote Voltage Sensing
  • Lossless Inductor DCR Current Sensing
  • Programmable VBOOT Voltage at Start-up
  • Resistor Programmable Address, IMAX, TMAX for Both Outputs
  • Adaptive Body Diode Conduction Time Reduction

描述

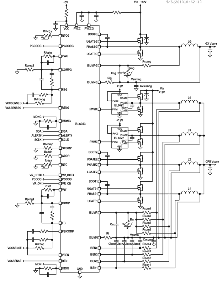
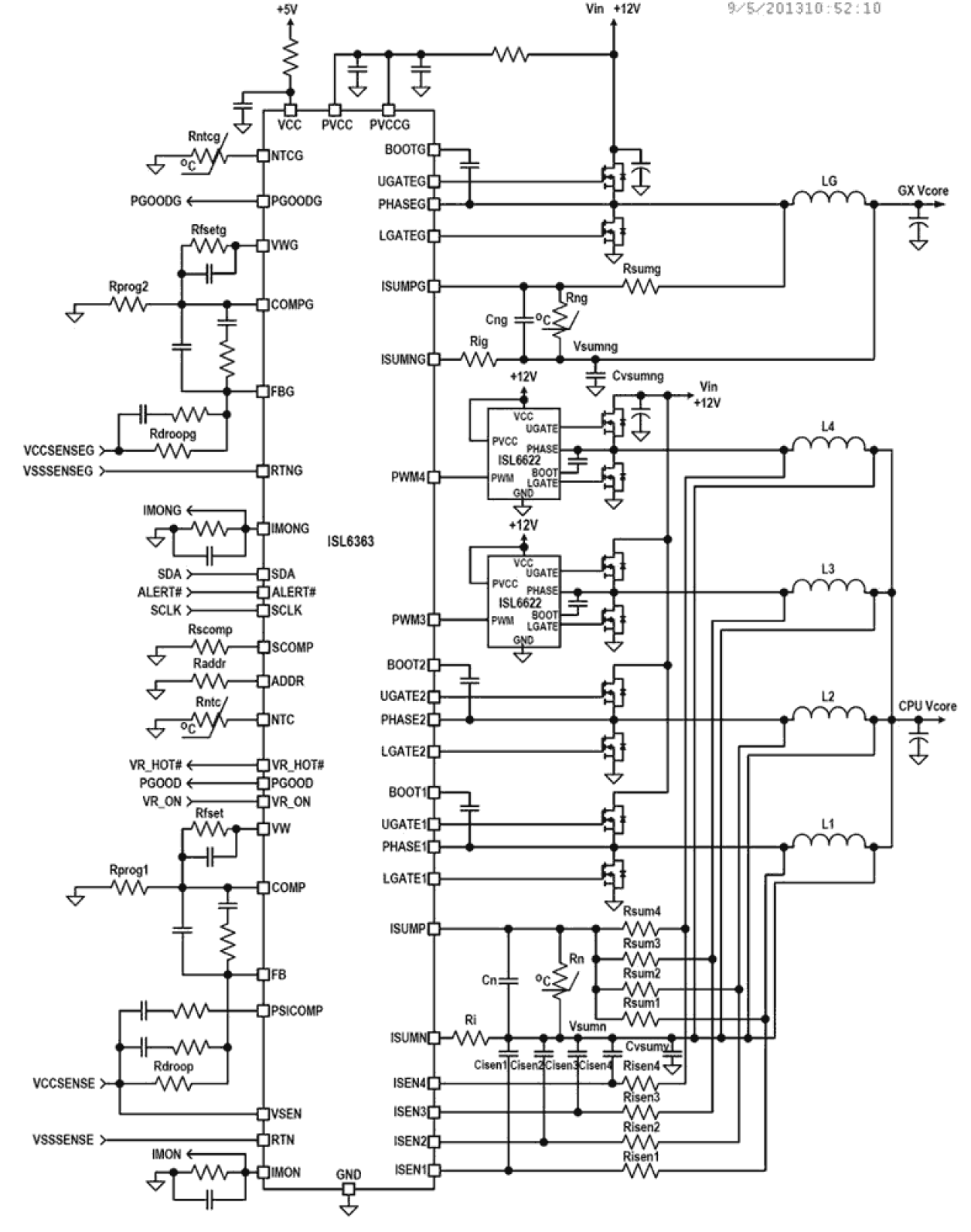
Fully compliant with VR12™ specifications, the ISL6363 provides a complete solution for microprocessor core and graphics power supplies. It provides two Voltage Regulators (VRs) with three integrated gate drivers. The first output (VR1) can be configured as a 4, 3, 2 or 1-phase VR while the second output (VR2) is a 1-phase VR. The two VRs share a serial control bus to communicate with the CPU and achieve lower cost and smaller board area compared with a two-chip approach. Based on Renesas' Robust Ripple Regulator R3 Technology™, the PWM modulator, compared to traditional modulators, has faster transient settling time, variable switching frequency during load transients and has improved light load efficiency with its ability to automatically change switching frequency. The ISL6363 has several other key features. Both outputs support DCR current sensing with a single NTC thermistor for DCR temperature compensation or accurate resistor current sensing. Both outputs come with remote voltage sensing, programmable VBOOT voltage, serial bus address, IMAX, TMAX, adjustable switching frequency, OC protection and separate power-good indicators. To reduce output capacitors, the ISL6363 also has an additional compensation function for PS1/2 mode and high frequency load transient compensation.

应用

  • VR12 Desktop Computers

当前筛选条件