跳转到主要内容
瑞萨电子 (Renesas Electronics Corporation)

特性

  • Intel VR12/IMVP7 compliant
  • SerialVID with programmable IMAX, TMAX, BOOT, ADDRESS OFFSET registers
  • Intersil's proprietary Green Hybrid Digital Enhanced Active Pulse Positioning (EAPP) Modulation Scheme (Patented)
  • SMBus/PMBus/I2C interface with SVID conflict free
  • NVM and firmware free for low cost and easy use
  • Auto phase shedding option for green environment with boot-refresh function option
  • Variable frequency control during load transients to reduce beat frequency oscillation
  • Linear control with evenly distributed PWM pulses for better phase current balance during load transients
  • Voltage feed-forward and ramp adjustable options
  • High frequency and PSI compensation options
  • Proprietary active phase adding and dropping with diode emulation scheme for enhanced light load efficiency
  • Dual outputs with independent enable option
  • Output 1 (VR0): 1- to 6-phase for core or memory (coupled inductor and phase doubler, ISL6617/11A compatible)
  • Output 2 (VR1): single phase for graphics, system agent, or processor I/O
  • Differential remote voltage sensing
  • ±0.5% closed-loop system accuracy over load, line and temperature
  • Programmable 1- or 2-phase operation in PSI1 mode
  • Programmable slew rate of fast dynamic VID with dynamic VID compensation (DVC) for VR0
  • Dynamic VID compensation (DVC) for VR1 at no droop
  • Droop and diode emulation options
  • Programmable standard or coupled-inductor operation
  • Precision resistor or DCR differential current sensing
  • Integrated programmable current sense resistors
  • Accurate load-line (droop) programming
  • Accurate current monitoring and current balancing
  • True input current sensing for catastrophic failure protection
  • Average overcurrent protection and channel current limit with internal current comparators
  • Precision overcurrent protection on IMON and IMONS pins
  • Independent oscillators, up to 2MHz per phase, for cost, efficiency, and performance optimization
  • Dual thermal monitoring and integrated compensation
  • Start-up into pre-charged load
  • Pb-free (RoHS compliant)

描述

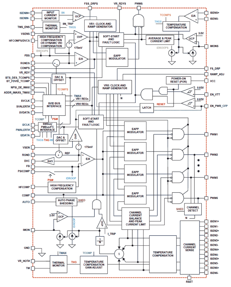
The ISL6369 is a Hybrid Digital dual PWM controller and is designed to be compliant to Intel VR12/IMVP7 specifications. Its 6-phase PWMs control the microprocessor core or memory voltage regulator, while its single-phase PWM controls the peripheral voltage regulator for graphics, system agent, or processor I/O. It includes programmable functions and telemetries for easy use, high system flexibility and overclocking applications using SMBus, PMBus, or I2C (Modified) interface, which is designed to be conflict free with CPU’s SVID bus. This hybrid digital approach eliminates the need of NVM and Firmware often seen in a full digital solution and significantly reduces design complexity, inventory and manufacture cost. The ISL6369 utilizes Intersil's proprietary Enhanced Active Pulse Positioning (EAPP) modulation scheme to achieve the extremely fast transient response with fewer output capacitors. The ISL6369 accurately monitors the load current via the IMON pin and reports this information via the IOUT register to the microprocessor, which sends a PSI# signal to the controller at low power mode via SVID bus. The controller enters 1- or 2-phase operation in low power mode (PSI1); in the ultra-low power mode (PSI2, 3), it operates in single phase with diode emulation option. In low power modes, the magnetic core and switching losses are significantly reduced, yielding high efficiency at light load. After the PSI# signal is de-asserted, the dropped phase(s) are added back to sustain heavy load transient response and efficiency. In addition, the ISL6369 features auto-phase shedding to optimize the efficiency from light to full load for Green Environment without sacrificing the transient performance. Today’s microprocessors require a tightly regulated output voltage position versus load current (droop). The ISL6369 senses the output current continuously by measuring the voltage across a dedicated current sense resistor or the DCR of the output inductor. The sensed current flows out of the FB pin to develop the precision voltage drop across the feedback resistor for droop control. Current sensing circuits also provide the needed signals for channel-current balancing, average overcurrent protection and individual phase current limiting. The TM and TMS pins sense an NTC thermistor’s temperature, which is internally digitized for thermal monitoring and for integrated thermal compensation of the current sense elements of the respective regulator. The ISL6369 can sense input current to provide a true Catastrophic Failure Protection (CFP) output. It also features remote voltage sensing and completely eliminates any potential difference between remote and local grounds. This improves regulation and protection accuracy. The threshold-sensitive enable input is available to accurately coordinate the start-up of the ISL6369 with other voltage rails.

当前筛选条件