| CAD 模型: | View CAD Model |
| Pkg. Type: | SOICN |
| Pkg. Code: | MTM |
| Lead Count (#): | 8 |
| Pkg. Dimensions (mm): | 4.90 x 3.91 x 0.00 |
| Pitch (mm): |
| Moisture Sensitivity Level (MSL) | 1 |
| Pb (Lead) Free | Yes |
| ECCN (US) | |
| HTS (US) |
| Lead Count (#) | 8 |
| Carrier Type | Tube |
| Moisture Sensitivity Level (MSL) | 1 |
| Pkg. Dimensions (mm) | 4.9 x 3.9 x 0.00 |
| Pb (Lead) Free | Yes |
| Pb Free Category | Pb-Free 100% Matte Tin Plate w/Anneal-e3 |
| Temp. Range (°C) | 0 to +70°C |
| IS (mA) | 0.002 |
| Length (mm) | 4.9 |
| MOQ | 1960 |
| Output Per Driver LGATE Source|Sink | 2|4 |
| Output Per Driver UGATE Source|Sink | 2|2 |
| Parametric Category | Multiphase DC/DC Switching Controllers |
| Phase Voltage (Max) | 22 |
| Phase Voltage (Min) | VBOOT-7 |
| Pkg. Type | SOICN |
| Qualification Level | Standard |
| VDRIVE (V) (V) | 5 - 5 |
| VIN/VPWM (Max) | 17 |
| Width (mm) | 3.9 |
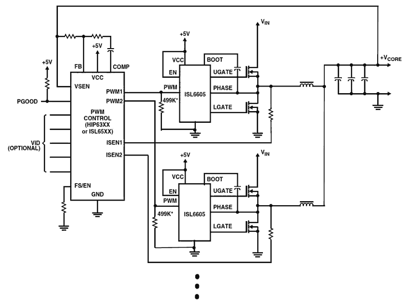
The ISL6605 is a high frequency, MOSFET driver optimized to drive two N-Channel power MOSFETs in a synchronous-rectified buck converter topology. This driver combined with an Intersil HIP63xx or ISL65xx Multiphase Buck PWM controller forms a complete single-stage core-voltage regulator solution with high efficiency performance at high switching frequency for advanced microprocessors. The IC is biased by a single low voltage supply (5V) and minimizes low driver switching losses for high MOSFET gate capacitance and high switching frequency applications. Each driver is capable of driving a 3000pF load with an 8ns propagation delay and less than 10ns transition time. This product implements bootstrapping on the upper gate with an internal bootstrap Schottky diode, reducing implementation cost, complexity, and allowing the use of higher performance, cost effective N-Channel MOSFETs. Adaptive shoot-through protection is integrated to prevent both MOSFETs from conducting simultaneously. The ISL6605 features 4A typical sink current for the lower gate driver, which is capable of holding the lower MOSFET gate during the Phase node rising edge to prevent shootthrough power loss caused by the high dv/dt of the Phase node. The ISL6605 also features a Three-State PWM input that, working together with Intersil Multiphase PWM controllers, will prevent a negative transient on the output voltage when the output is being shut down. This feature eliminates the Schottky diode that is usually seen in a microprocessor power system for protecting the microprocessor from reversed-output-voltage damage.