跳转到主要内容
瑞萨电子 (Renesas Electronics Corporation)

特性

  • Dual MOSFET Drives for Synchronous Rectified Bridge
  • Advanced Adaptive Zero Shoot-Through Protection
  • 36V Internal Bootstrap Schottky Diode
  • Advanced PWM Protocol (Patent Pending) to Support PSI Mode, Diode Emulation, Three-State Operation
  • Diode Emulation For Enhanced Light Load Efficiency
  • Bootstrap Capacitor Overcharging Prevention
  • Supports High Switching Frequency
  • 4A Sinking Current Capability
  • Fast Rise/Fall Times and Low Propagation Delays
  • VCC Undervoltage Protection
  • Enable Input and Power-On Reset
  • Expandable Bottom Copper Pad for Enhanced Heat Sinking
  • DFN Package:
  • Compliant to JEDEC PUB95 MO-220 DFN
  • Dual Flat No Leads
  • Package Outline
  • Near Chip Scale Package Footprint, which Improves PCB Efficiency and has a Thinner Profile
  • Pb-Free (RoHS Compliant)

描述

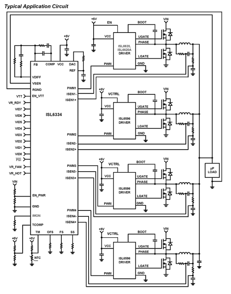
The ISL6620, ISL6620A is a high frequency MOSFET driver designed to drive upper and lower power N-Channel MOSFETs in a synchronous rectified buck converter topology. The advanced PWM protocol of ISL6620, ISL6620A is specifically designed to work with Intersil VR11. 1 controllers and combined with N-Channel MOSFETs, form a complete core-voltage regulator solution for advanced microprocessors. When ISL6620, ISL6620A detects a PSI protocol sent by an Intersil VR11. 1 controller, it activates Diode Emulation (DE) operation; otherwise, it operates in normal Continuous Conduction Mode (CCM) PWM mode. The IC is biased by a single low voltage supply (5V), minimizing driving losses in high MOSFET gate capacitance and high switching frequency applications. Each driver is capable of driving a 3nF load with less than 10ns rise/fall time. Bootstrapping of the upper gate driver is implemented via an internal low forward drop diode, reducing implementation cost, complexity, and allowing the use of higher performance, cost effective N-Channel MOSFETs. To further enhance light load efficiency, ISL6620, ISL6620A enables diode emulation operation during PSI mode. This allows Discontinuous Conduction Mode (DCM) by detecting when the inductor current reaches zero and subsequently turning off the low side MOSFET to prevent it from sinking current. An advanced adaptive shoot-through protection is integrated to prevent both the upper and lower MOSFETs from conducting simultaneously and to minimize dead time. The ISL6620, ISL6620A has a 20kΩ integrated high-side gate-to-source resistor to prevent self turn-on due to high input bus dV/dt.

应用

  • High Light Load Efficiency Voltage Regulators
  • Core Regulators for Advanced Microprocessors
  • High Current DC/DC Converters
  • High Frequency and High Efficiency VRM and VRD

当前筛选条件