| CAD 模型: | View CAD Model |
| Pkg. Type: | DFN |
| Pkg. Code: | LBP |
| Lead Count (#): | 8 |
| Pkg. Dimensions (mm): | 2.01 x 2.01 x 0.90 |
| Pitch (mm): |
| Moisture Sensitivity Level (MSL) | 3 |
| Pb (Lead) Free | Yes |
| ECCN (US) | EAR99 |
| HTS (US) | 8542.39.0090 |
| RoHS (ISL6625ACRZ-T) | 下载 |
| Lead Count (#) | 8 |
| Carrier Type | Reel |
| Moisture Sensitivity Level (MSL) | 3 |
| Pb (Lead) Free | Yes |
| Pb Free Category | Pb-Free 100% Matte Tin Plate w/Anneal-e3 |
| Temp. Range (°C) | 0 to +70°C |
| Country of Assembly | MALAYSIA |
| Country of Wafer Fabrication | TAIWAN |
| IS (mA) | 7.56 |
| Length (mm) | 2 |
| MOQ | 6000 |
| No Load IS (Max) | N/A |
| Output Per Driver LGATE Source|Sink | 1.75|3 |
| Output Per Driver UGATE Source|Sink | 1.25|2 |
| Parametric Category | Multiphase DC/DC Switching Controllers |
| Phase Voltage (Max) | 25VDC, 30V (<200ns) |
| Phase Voltage (Min) | GND - 0.3VDC GND - 8V (<400ns) |
| Pkg. Dimensions (mm) | 2.0 x 2.0 x 0.90 |
| Pkg. Type | DFN |
| Price (USD) | $1.57483 |
| Qualification Level | Standard |
| Thickness (mm) | 0.9 |
| VDRIVE (V) (V) | 5 - 5 |
| VIN/VPWM (Max) | 15 |
| Width (mm) | 2 |
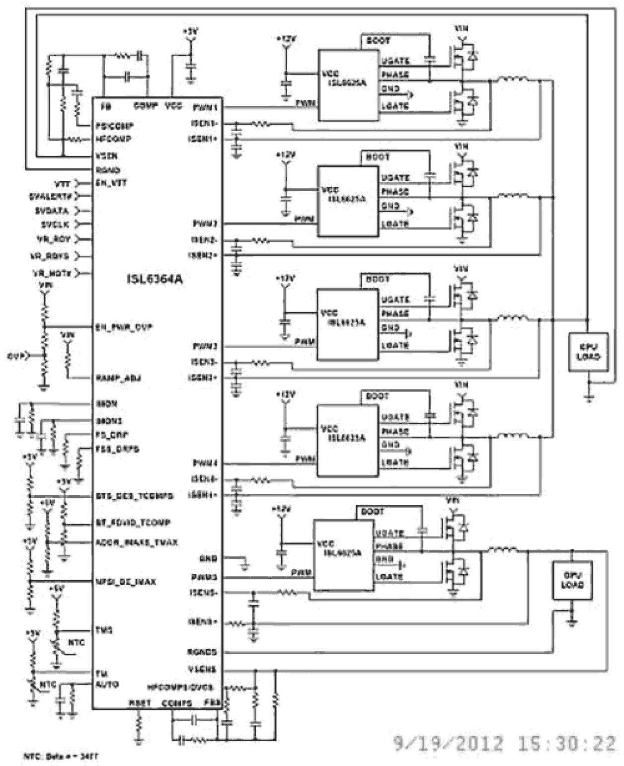
The ISL6625A is a high frequency MOSFET driver designed to drive upper and lower power N-Channel MOSFETs in a synchronous rectified buck converter topology. In ISL6625A, the upper and lower gates are both driven to an externally applied voltage. This provides the capability to optimize applications involving trade-offs between gate charge and conduction losses. An advanced adaptive shoot-through protection is integrated to prevent both the upper and lower MOSFETs from conducting simultaneously and to minimize dead time. The ISL6625A has a 10kΩ integrated high-side gate-to-source resistor to prevent self turn-on due to high input bus dV/dt. This driver also has an overvoltage protection feature, which is operational while VCC is below the POR threshold. The PHASE node is connected to the gate of the low-side MOSFET (LGATE) via a 30kΩ resistor, limiting the output voltage of the converter close to the gate threshold of the low-side MOSFET. This is dependent on the current being shunted, which provides some protection to the load should the upper MOSFET(s) become shorted.