特性
- Dual MOSFET drives for synchronous rectified bridge
- Advanced adaptive zero shoot-through protection
- PHASE detection
- LGATE detection
- Auto-Zero of rDS(ON) conduction offset effect
- Low standby bias current
- 36V internal bootstrap switcher
- Bootstrap capacitor overcharging prevention
- Integrated high-side gate-to-source resistor to prevent from self turn-on due to high input bus dV/dt
- Pre-POR overvoltage protection for start-up and shutdown
- Power rails undervoltage protection
- Expandable bottom copper pad for enhanced heat sinking
- Dual flat no-lead (DFN) package
- Near chip-scale package footprint; improves PCB efficiency and thinner in profile
- Pb-Free (RoHS compliant)
描述
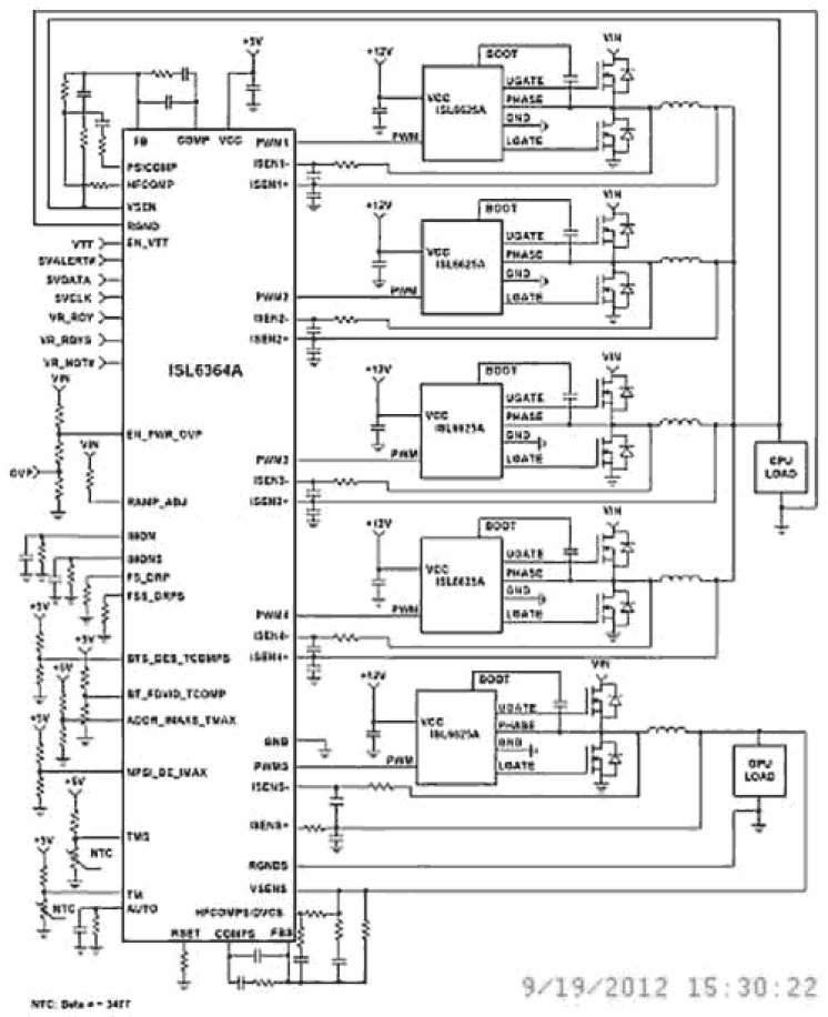
The ISL6625A is a high frequency MOSFET driver designed to drive upper and lower power N-Channel MOSFETs in a synchronous rectified buck converter topology. In ISL6625A, the upper and lower gates are both driven to an externally applied voltage. This provides the capability to optimize applications involving trade-offs between gate charge and conduction losses. An advanced adaptive shoot-through protection is integrated to prevent both the upper and lower MOSFETs from conducting simultaneously and to minimize dead time. The ISL6625A has a 10kΩ integrated high-side gate-to-source resistor to prevent self turn-on due to high input bus dV/dt. This driver also has an overvoltage protection feature, which is operational while VCC is below the POR threshold. The PHASE node is connected to the gate of the low-side MOSFET (LGATE) via a 30kΩ resistor, limiting the output voltage of the converter close to the gate threshold of the low-side MOSFET. This is dependent on the current being shunted, which provides some protection to the load should the upper MOSFET(s) become shorted.
产品参数
| 属性 | 值 |
|---|---|
| Temp. Range (°C) | 0 to +70°C |
| Qualification Level | Standard |
封装选项
| Pkg. Type | Pkg. Dimensions (mm) | Lead Count (#) |
|---|---|---|
| DFN | 2.0 x 2.0 x 0.90 | 8 |
应用
- High light load efficiency voltage regulators
- Core regulators for advanced microprocessors
- High current DC/DC converters
当前筛选条件