跳转到主要内容
瑞萨电子 (Renesas Electronics Corporation)

特性

  • 5V operation
  • 1A MOSFET gate driver
  • 400μA startup current
  • 30ns propagation delay current sense to output
  • Fast transient response with peak-current mode control
  • Switching frequency to 2MHz
  • 20ns rise and fall times with 1nF output load
  • Maximum duty cycle determined by clock input duty cycle
  • Tight tolerance current limit threshold
  • Pb-free (RoHS compliant)

描述

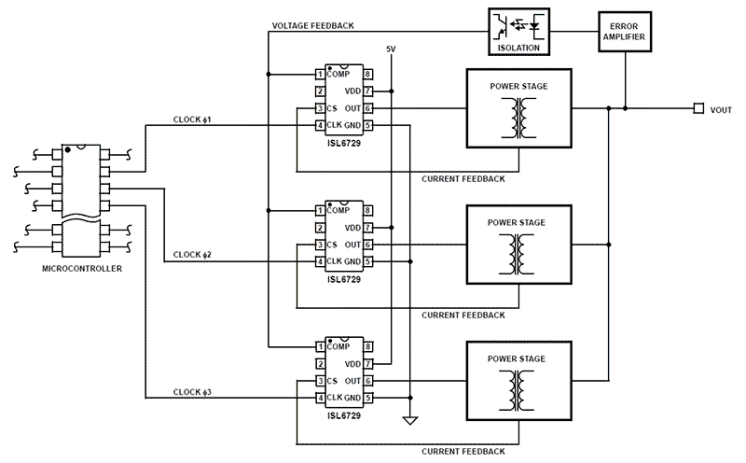
The ISL6729 pulse width modulating (PWM) current mode controller is designed for power conversion applications that are based on a microcontroller, or other device, which can generate a digital clock signal at the desired switching frequency. Similar to the ISL684x family of products, the ISL6729 provides the basic current mode PWM control features, but eliminates the error amplifier, the oscillator, and the reference. An external clock signal applied to the oscillator input provides the time base and sets the maximum duty cycle. The reduced feature set is ideal for those applications where a microcontroller is available to provide the monitor and control functions. The analog PWM provides the cycle-by-cycle peak-current mode control, leaving the monitor and control overhead to the microcontroller.

应用

  • Telecom and Datacom Power
  • Wireless Base Station Power
  • File Server Power
  • Industrial Power Systems
  • PC Power Supplies
  • Isolated Buck and Flyback Regulators
  • Boost Regulators

当前筛选条件