跳转到主要内容
瑞萨电子 (Renesas Electronics Corporation)

特性

  • Wide operating voltage range:
    • Input: 4.5V to 19V
    • Output: 0.6V to VPWR_STAGE×((TSW-120ns)/TSW)
  • Programmable output switching frequency
    • 250kHz to 1.5MHz
  • Optional droop regulation
  • Current mode control provides
    • Excellent power supply rejection
    • Simplified control scheme
  • Output differential remote sensing
  • Programmable soft-start
  • Enable control
  • Power-good Indicator
  • Radiation acceptance testing
    • LDR (0.01rad(Si)/s): 75krad(Si)
  • SEE hardness (see SEE report for details)
    • No SEB/SEL LETTH, VDD = 25V: 86MeV•cm2/mg
    • SET/SEFI free at LET 86MeV•cm2/mg
  • Qualified to Renesas Rad Hard QML-V Equivalent Screening and QCI flow (R34TB0001EU)
    • All screening and QCI is in accordance with MIL-PRF- 38535L Class-V

描述

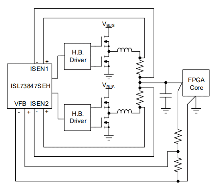
The ISL73847SEH is a synchronous buck controller that can operate as a single or dual-phase controller. It is intended to work with the ISL73041SEH (half-bridge GaN FET driver) to generate Point-of-Load voltage rails for commercial space applications.

It accepts an input voltage range of 4.5V to 19V with a programmable output switching frequency between 250kHz and 1.5MHz with a single resistor. The output can regulate a voltage upwards of 600mV and is limited on the top end by the minimum of time and selected switching frequency.

The wide input voltage range makes it a suitable power supply option for a high-current FPGA core and other general-purpose power solutions. The ISL73847SEH uses current mode modulation which simplifies loop compensation and provides excellent power supply rejection. Additionally, the output is remotely sensed to compensate for any voltage drop in the load conditions. All of this put together results in a robust power supply solution that requires minimal components while achieving high current density.

The ISL73847SEH also features a tri-level output which provides excellent protection against faults by driving a mid-scale voltage to signal the power stage to enter a Hi-Z condition.

The ISL73847SEH operates across the military temperature range from -55 °C to +125 °C and is available in a 24 Ld hermetically sealed Ceramic Dual Flatpack (CDFP) package or in die form.

产品参数

属性
RatingSpace
Control ModePeak Current Mode
Phases (Max)2
No-Load Operating Current12 mA
Quiescent Current11µA
Supply Voltage (min) (V)4.5 - 4.5
Supply Voltage (max) (V)19 - 19
Switching Frequency (min) (kHz)250
Switching Frequency (max) (kHz)1500
TopologySync. Buck
VREF (V)0.6
Temp. Range (°C)-55 to +125°C
TID HDR (krad(Si))100
TID LDR (krad(Si))75
DSEE (MeV·cm2/mg)86
FlowRH Hermetic
Qualification LevelClass Ve, EM
Die Sale Availability?Yes
PROTO Availability?Yes

封装选项

Pkg. TypePkg. Dimensions (mm)Lead Count (#)Pitch (mm)
0.0 x 0.0 x 0.00
CFP15.2 x 10.2 x 0.00241.3
DIE24

应用方框图

Radiation Hardened Versal Power Tree Block Diagram
抗辐射 Versal 电源树
一款采用 AMD Versal 的卫星应用抗辐射电源。

其他应用

  • FPGA core power supply
  • General purpose power supply

当前筛选条件