跳转到主要内容
瑞萨电子 (Renesas Electronics Corporation)

特性

  • Current mode boost regulator
  • Fast transient response
  • 1% accurate output voltage
  • 18V/3A integrated FET
  • >90% efficiency
  • 2.6V to 5.5V VIN supply
  • 2 LDO controllers for VON and VOFF
  • 2% output regulation
  • VON-slice circuit
  • High speed amplifiers
  • 150mA short-circuit output current
  • 12V/µs slew rate
  • 12MHz -3dB bandwidth
  • Rail-to-rail inputs and outputs
  • Built-in power sequencing
  • Internal soft-start
  • Multiple overload protection
  • Thermal shutdown
  • 32 Ld 7x7 TQFP package
  • Pb-free (RoHS compliant)

描述

Support is limited to customers who have already adopted these products.

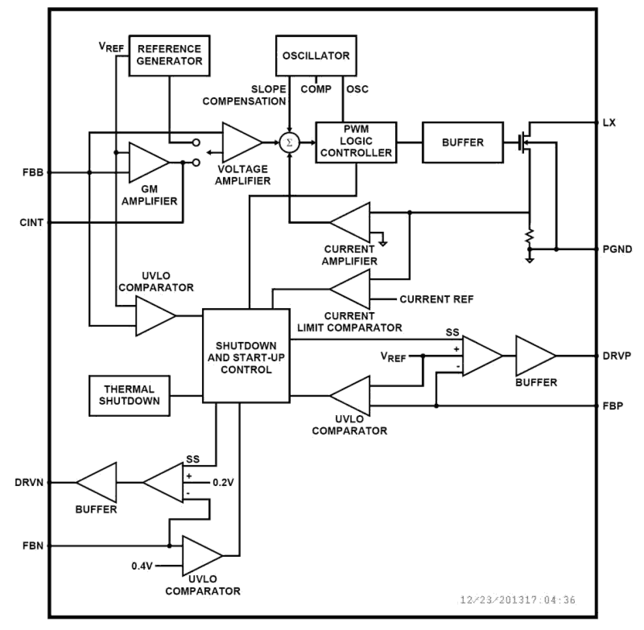
The ISL78020 and ISL78022 integrate a high performance boost regulator with 2 LDO controllers for VON and VOFF, a VON-slice circuit with adjustable delay and either one (ISL78020) or five (ISL78022) amplifiers for VCOM and VGAMMA applications. The boost converter in the ISL78020 and ISL78022 is a current mode PWM type integrating an 18V N-Channel MOSFET. Operating at 1. 2MHz, this boost converter can operate in either P-Mode for superior transient response, or in PI-Mode for tighter output regulation. Using external low-cost transistors, the LDO controllers provide tight regulation for VON, VOFF, as well as providing start-up sequence control and fault protection. The amplifiers are ideal for VCOM and VGAMMA applications, with 150mA peak output current drive, 12MHz bandwidth, and 12V/µs slew rate. All inputs and outputs are rail-to-rail. Available in a 32 Ld TQFP (7mmx7mm) Pb-free package, the ISL78020, ISL78022 are specified for operation over a -40°C to +105°C temperature range.

应用

  • All automotive TFT-LCD panels

当前筛选条件