跳转到主要内容

特性

  • Wide input voltage range from 4.5V to 28V
  • Adjustable output voltage with continuous output current up to 3A
  • Current mode control
  • Adjustable switching frequency from 300kHz to 2MHz
  • Independent power-good detection
  • Selectable In-phase or out-of-phase PWM operation
  • Independent, sequential, ratiometric or absolute tracking between outputs
  • Internal 2ms soft-start time
  • Overcurrent/short circuit protection, thermal overload protection, UVLO
  • Boot undervoltage detection
  • Qualified for automotive applications
  • Pb-Free (RoHS compliant)

描述

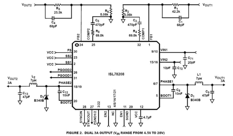
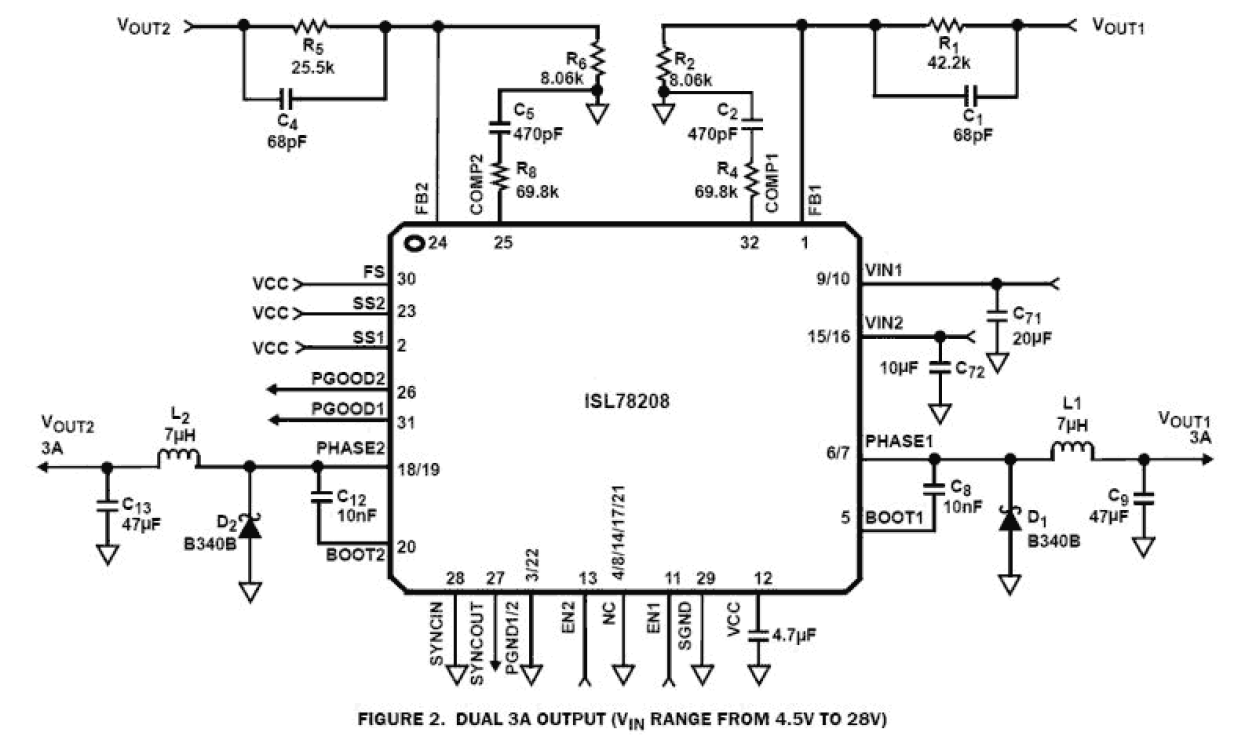
The ISL78208 is a dual standard buck regulator capable of 3A per channel with continuous output current. With an input range of 4. 5V to 28V, it provides a high frequency power solution for a variety of point of load applications. The PWM controller in the ISL78208 drives an internal switching N-Channel power MOSFET and requires an external Schottky diode to generate the output voltage. The integrated power switch is optimized for excellent thermal performance up to 3A of output current. The PWM regulator switches at a default frequency of 500kHz and it can be user programmed or synchronized from 300kHz to 2MHz. The ISL78208 utilizes peak current mode control to provide flexibility in component selection and minimize solution size. The protection features include overcurrent, UVLO and thermal overload protection. The ISL78208 is available in 5mmx5mm 32 Ld Wettable Flank Quad Flat Pb-free (WFQFN) package. The ISL78208 is rated for the automotive temperature range (-40°C to +105°C).

产品参数

属性
Topology [Rail 1]Buck
Outputs (#)2
Input Voltage (Min) [Rail 1] (V)4.5
Input Voltage (Max) [Rail 1] (V)28 - 28
Output Voltage (Min) [Rail 1] (V)0.8
Output Voltage (Max) [Rail 1] (V)26
Output Current (Max) [Rail 1] (A)3
Switching Frequency Range (Typical) (kHz)300 - 2000
Control TypeCurrent Mode
Peak Efficiency (%)92
IQ [Rail 1] (µA)1200
SYNCH CapabilityYes
Qualification LevelAutomotive
Temp. Range (°C)-40 to +105°C
Simulation Model AvailableN/A

封装选项

Pkg. TypePkg. Dimensions (mm)Lead Count (#)Pitch (mm)
WFQFN5.0 x 5.0 x 0.85320.5

应用方框图

TFT instrument cluster block diagram features a high‑performance dual-core MCU, built‑in AI acceleration and extensive connectivity options, including CAN, Wi‑Fi, Bluetooth LE, GPS, and GSM 4G.
TFT Instrument Cluster with Bluetooth Audio and Telematics
TFT instrument cluster with integrated telematics, graphics, and AI for cost‑efficient connected mobility.
Low-end camera monitoring system block diagram features an automotive MCU, video signal processor, optical sensor, and power devices.
基础型摄像头监控系统
一款高性价比基础型摄像头监控系统,通过 MCU 光学传感器和视频处理器优化亮度。
Connected Android Cluster Block Diagram
Android 系统互联车载仪表
采用 Android 系统的汽车驾驶舱,具有无线连接和实时显示功能。
Vehicle Control Unit Block Diagram
车辆控制单元
车辆控制单元支持服务导向架构(SOA)和区域架构,提供多核性能,符合 FuSa 标准。
Zone-ECU Virtualization Solution Platform Block Diagram
Zone-ECU 虚拟化解决方案平台
Zone-ECU 虚拟化平台将虚拟 ECU 集成在一个物理单元上,从而降低成本并实现安全设计。

其他应用

  • DSP and embedded processor power supply
  • Infotainment system power

当前筛选条件