特性
- Dual 3A/3A independent outputs
- 2.5MHz synchronous buck regulator with internal MOSFETs up to 95% efficiency
- 2% voltage reference accuracy over-temperature
- 6A current sharing mode operation
- Internal or external compensation
- Peak current limiting and hiccup mode short circuit protection
- Reverse overcurrent protection
- Over-temperature protection shutdown
- AEC-Q100 qualified
描述
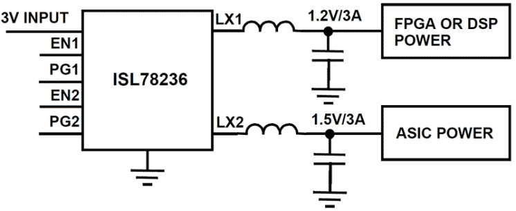
The ISL78236 is a dual output, 3A/3A, integrated FET buck regulator for point-of-load power applications. The supply voltage range is from 2. 8V to 6V, allowing for the use of a single Li+ cell, three NiMH cells, or a regulated 3V/5V bus input. It is optimized for regulating output voltages down to 1. 2V. Each channel provides an output current up to 3A, which can be combined to form a single 6A output in current sharing mode. The two channels operate 180° out of phase to reduce input RMS current and EMI. The ISL78236 integrates a pair of low ON-resistance P-channel and N-channel internal MOSFETs to maximize efficiency and minimize external component count. It can operate up to 100% duty cycle to maximize operating life as battery voltage drops out. When supplying 3A on each channel, the 100% duty cycle operation limits the dropout voltage to less than 250mV. Other features include internal digital soft-start, independent channel enable for power sequencing, overcurrent protection, and thermal shutdown. The ISL78236 is offered in a 24 Ld 4mmx4mm QFN package with 1mm maximum height. The complete converter occupies less than 1. 5cm2 area. The ISL78236 is AEC - Q100 qualified and is rated for the automotive temperature range (-40°C to +105°C).
产品参数
| 属性 | 值 |
|---|---|
| Topology [Rail 1] | Buck |
| Outputs (#) | 2 |
| Input Voltage (Min) [Rail 1] (V) | 2.85 |
| Input Voltage (Max) [Rail 1] (V) | 6 - 6 |
| Output Voltage (Min) [Rail 1] (V) | 1.2 |
| Output Voltage (Max) [Rail 1] (V) | 6 |
| Output Current (Max) [Rail 1] (A) | 6 |
| Switching Frequency Range (Typical) (kHz) | 2150 - 2500 |
| Control Type | Current Mode |
| Peak Efficiency (%) | 95 |
| IQ [Rail 1] (µA) | 30 |
| SYNCH Capability | Yes |
| Qualification Level | Automotive |
| Temp. Range (°C) | -40 to +105°C |
| Simulation Model Available | N/A |
封装选项
| Pkg. Type | Pkg. Dimensions (mm) | Lead Count (#) | Pitch (mm) |
|---|---|---|---|
| QFN | 4.0 x 4.0 x 0.90 | 24 | 0.5 |
应用方框图
| 未来 E/E 架构的车载电脑 下一代车载计算机系统,用于具有高计算能力的高级 E/E 架构。 |
其他应用
- DSP and embedded processor power supply
- Infotainment system power
- Automotive point of load power
当前筛选条件