跳转到主要内容
瑞萨电子 (Renesas Electronics Corporation)

特性

  • High-speed quadruple output laser diode driver supporting up to 150MHz maximum output pixel clock
  • Up to 750mA of peak current output per channel
  • Fast output switching speeds with pulse rise/fall times of 1.5ns for crisp pixels
  • Intersil laser voltage sampler function with integrated dynamic power optimization controller to dramatically minimize system power
  • Flexible data order supports different RGB LD opto-mechanical placement
  • Blanking time power reduction to reduce LDD current consumption
  • Programmable multi-pulse Return to Zero (RTZ) function to provide maximum flexibility
  • Single 3.3V supply and 1.8V video interface compatible for low power systems
  • 3-wire SPI interface
  • Operating temperature range: -40 °C to +125 °C
  • AEC-Q100

描述

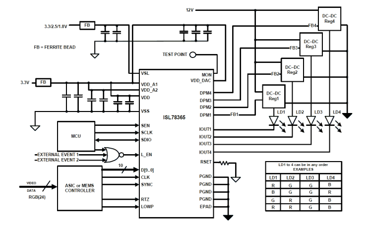
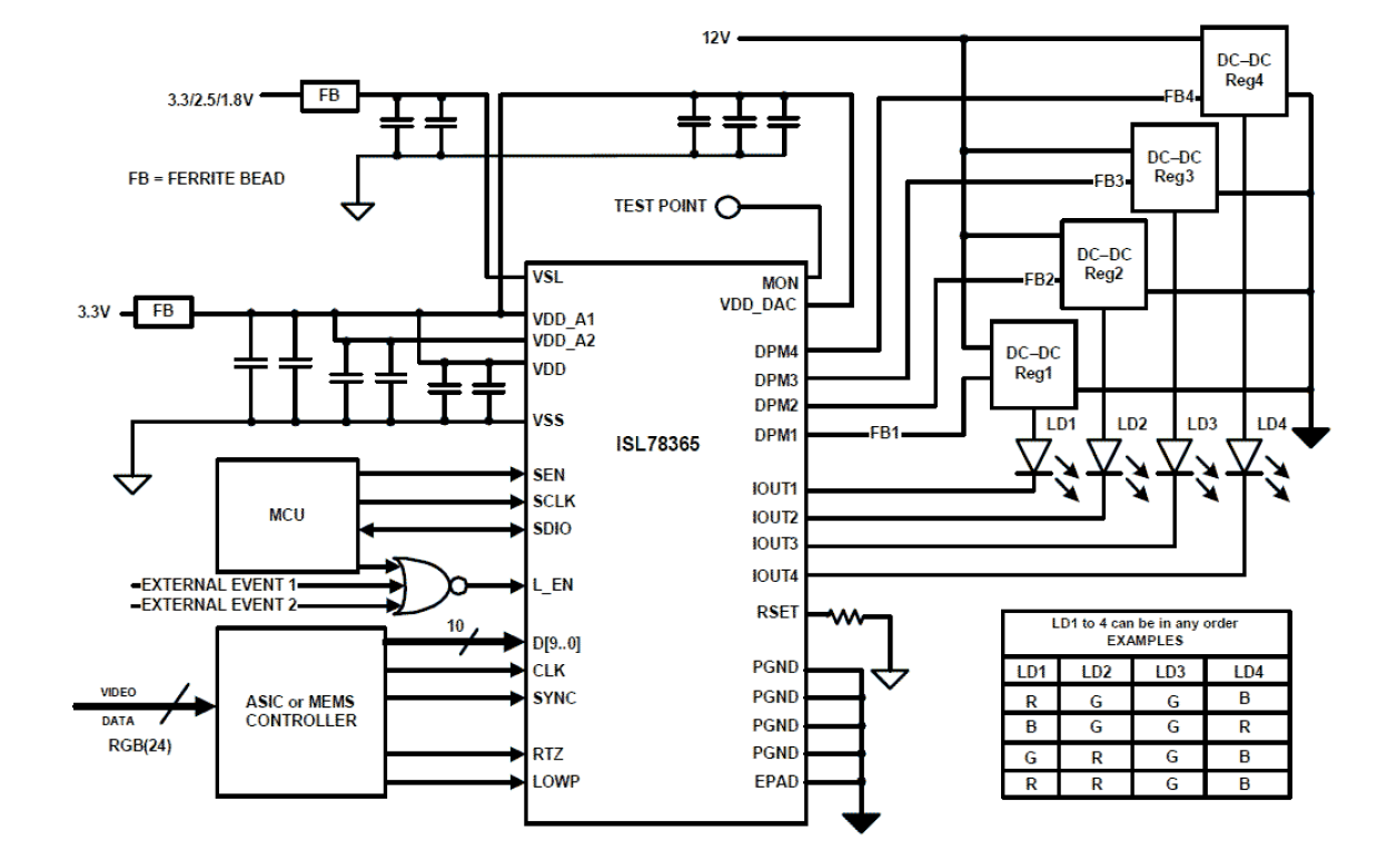
The ISL78365 high-speed, quadruple output Laser Diode Driver (LDD) is designed to support high speed RGB/RGGB laser scanning projection systems. Each output driver channel consists of independent threshold and color DACs for greater laser control and flexibility. Separate scale DACs allow independent scaling of both threshold and color DAC output values to control the projector brightness or provide simple Automatic Power Calibration (APC) for laser based systems. Pixel data information is transferred through the LDD's high speed 10-bit parallel video interface. There are two parallel interface modes to allow three or four color pixel data to be entered efficiently. Pixel data employs a double data rate scheme, allowing video data to be transferred using both edges of the clock.

当前筛选条件