警告信息
特性
- ±1.8% VOUT accuracy guaranteed over line, load and TJ = -40°C to +125°C
- Very low 130mV dropout voltage
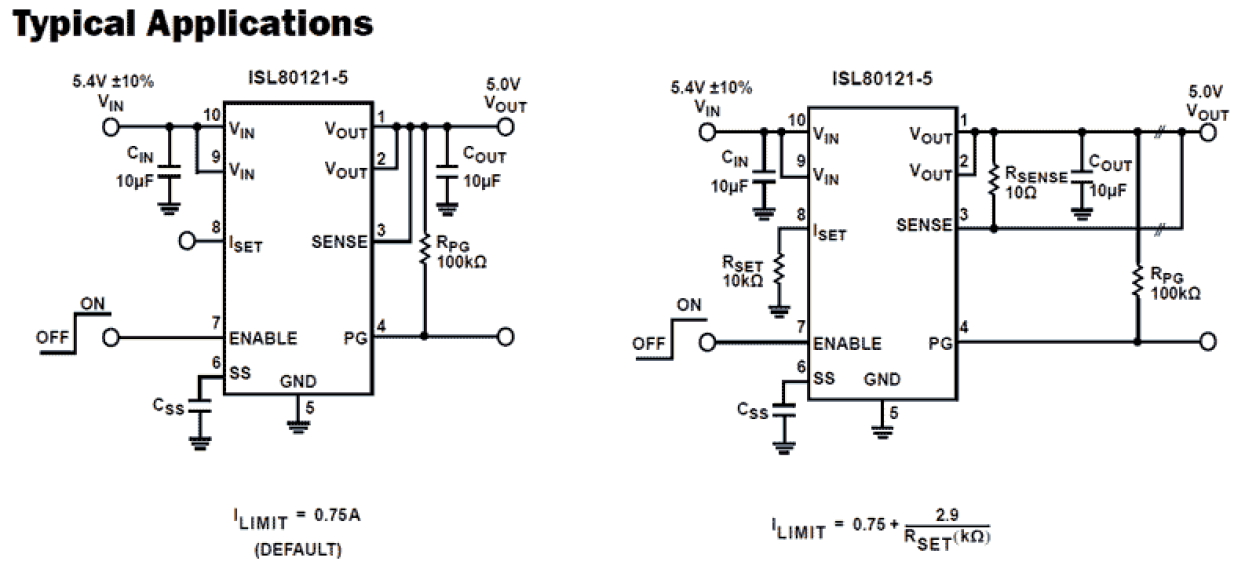
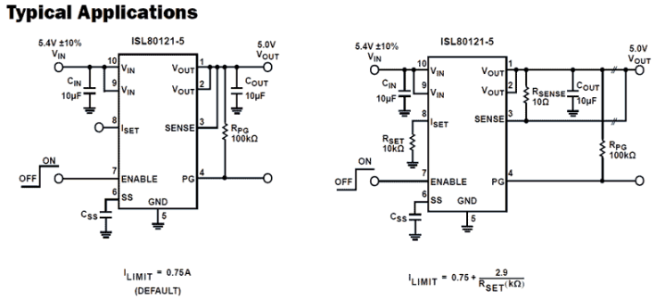
- High accuracy current limit programmable up to 1.75A
- Very fast transient response
- 210µVRMS output noise
- Power-good output
- Programmable soft-start
- Over-temperature protection
- Small 10 Ld DFN package
描述
The ISL80121-5 is a low dropout voltage, single output LDO with programmable current limiting. The ISL80121-5 operates from input voltages of 5V to 6V with a nominal output voltage of 5V. Other custom voltage options are available upon request. A submicron BiCMOS process is utilized for this product family to deliver the best in class analog performance and overall value. The programmable current limiting improves system reliability of end applications. An external capacitor on the soft-start pin provides an adjustable soft-starting ramp. The ENABLE feature allows the part to be placed into a low quiescent current shutdown mode. This BiCMOS LDO will consume significantly lower quiescent current as a function of load compared to bipolar LDOs, which translates into higher efficiency and packages with smaller footprints. Quiescent current is modestly compromised to achieve a very fast load transient response.
产品参数
| 属性 | 值 |
|---|---|
| Input Voltage (Min) (V) | 2.2 |
| Input Voltage (Max) (V) | 6 |
| Output Voltage (Min) (V) | 0.8 |
| Output Voltage (Max) (V) | 5 |
| Output Current 1 (Max) (A) | 1 |
| Drop Out Voltage (Typical) | 90 @ 1A |
| Fixed Output Voltage Option | Yes |
| PSRR (db) | 40 |
| Noise (10Hz to 100kHz) (μVrms) | 210 |
| Qualification Level | Standard |
封装选项
| Pkg. Type | Pkg. Dimensions (mm) | Lead Count (#) | Pitch (mm) |
|---|---|---|---|
| DFN | 3.0 x 3.0 x 0.90 | 10 | 0.5 |
应用
- USB devices
- Telecommunications and Networking
- Medical Equipment
- Instrumentation Systems
- Routers and Switchers
- Gaming
当前筛选条件