特性
- Wide input voltage range: 4.5V to 100V
- Wide output voltage range: 0.8V to 96V
- Two MOSFET drivers with adaptive shoot-through protection
- Constant output voltage and output current feedback loop control
- Support current sharing
- External clock sync
- Programmable soft start
- Supports startup into pre-biased rails
- Programmable frequency: 100kHz to 2MHz
- PGOOD indicator
- Output current monitor
- Selectable mode between PWM/DE
- Low shut down current: 4μA
- Complete protection: OCP (pulse by pulse and optional hiccup or constant current mode), negative peak current limit, OVP, OTP, and UVP
- 5mm x 5mm TQFN package
- -40°C to +125°C operating temperature operating temperature
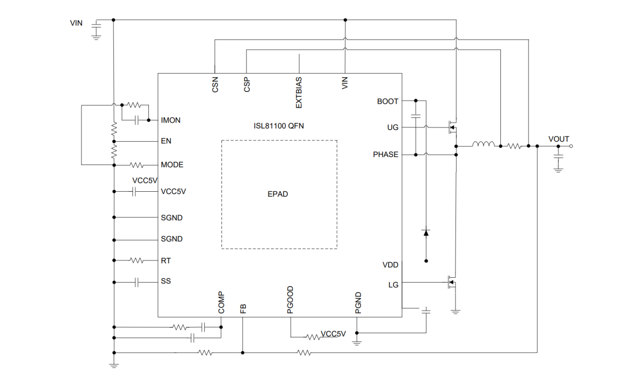
描述
The ISL81100 is a 100V synchronous buck controller that generates a stepped-down output for various applications in industrial and general-purpose segments. The ISL81100 uses fixed frequency peak current mode PWM control. The internal oscillator is adjustable from 100kHz to 2MHz and can be synchronized to an external clock signal for frequency synchronization and phase interleaving applications. It can support current sharing for parallel applications.
产品参数
| 属性 | 值 |
|---|---|
| Outputs (#) | 1 |
| Topology [Rail 1] | Buck |
| Input Voltage (Min) [Rail 1] (V) | 4.5 |
| Input Voltage (Max) [Rail 1] (V) | 100 - 100 |
| Output Voltage (Min) [Rail 1] (V) | 0.8 |
| Output Voltage (Max) [Rail 1] (V) | 100 |
| Output Current (Max) [Rail 1] (A) | 50 |
| Switching Frequency Range (Typical) (kHz) | 200 - 200 |
| Qualification Level | Standard |
| Temp. Range (°C) | -40 to +125°C |
| Simulation Model Available | iSim |
封装选项
| Pkg. Type | Pkg. Dimensions (mm) | Lead Count (#) | Pitch (mm) |
|---|---|---|---|
| TQFN | 5.0 x 5.0 x 0.75 | 25 | 0.5 |
应用
- Telecommunication
- Server and data center
- Automotive electronics
- Industrial equipment
- Power system
当前筛选条件