跳转到主要内容
瑞萨电子 (Renesas Electronics Corporation)

特性

  • Single Chip Power Solution
  • Operation for 1-Tuner/1-Dish Applications
  • Switch-Mode Power Converter for Lowest Dissipation
  • Boost PWMs with >92% Efficiency
  • Pin Controllable Enable and Output
  • 2.5V/3.3V/5V Logic Compatible
  • FAULT Signal
  • DIRECTV SWM Compliant
  • VSET Pin to Toggle between Vertical and Horizontal Polarizations
  • External Tone Input
  • Internal Overcurrent and Over-Temperature Protection
  • Pb-Free (ROHs Compliant)

描述

Support is limited to customers who have already adopted these products.

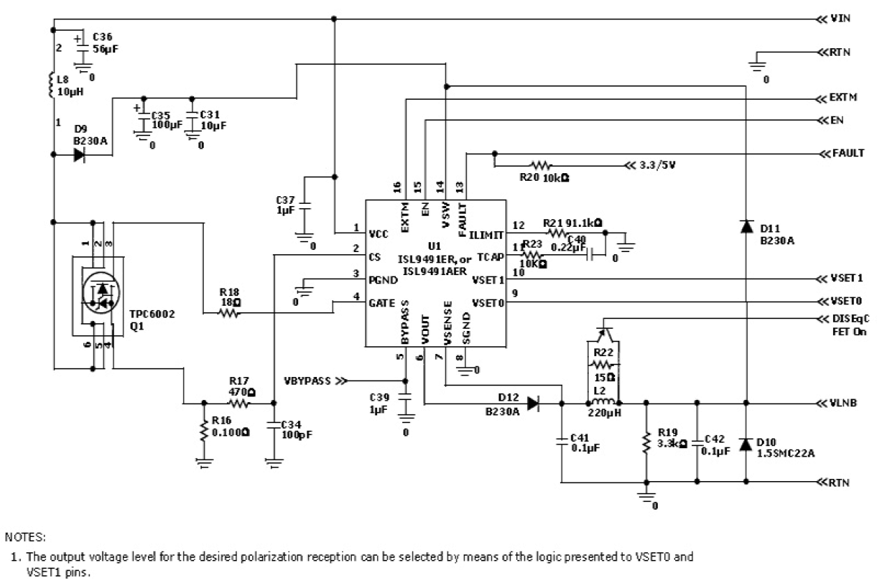
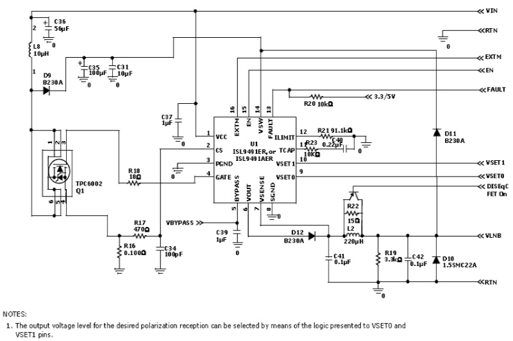
These devices are designed for supplying power and control signals from advanced satellite set-top box (STB) modules to the low noise blocks (LNBs) of single antenna ports. Each device consists of a current-mode boost converter and a low-noise linear regulator along with the circuitry required for tone injection and pin controllable interface. The device makes the total LNB supply design simple, efficient and compact with low external component count. The current-mode boost converters provide the linear regulator with input voltage that is set to the voltage at the VOUT pin plus a minimal drop to insure minimum power dissipation across the internal LDO. This maintains constant voltage drop across the linear pass element while permitting adequate voltage range for tone injection. The final regulated output voltage is available at the cathode of the back diode to support the operation of an antenna port for a single tuner. The outputs can be set to various voltage level for the desired polarization reception by means of the logic presented to the VSET0 and VSET1 pins. An EN pin is to be driven high to enable the outputs for the PWM and linear combination; setting EN low disables the output, forcing a shutdown mode. The external modulation input (EXTM) can accept a tone modulated DiSEqC command and transfer it symmetrically to the output to meet DiSEqC 1. x protocol. An external DiSEqC tank circuit can also be implemented to support DiSEqC 2. x.

应用

  • LNB Power Supply and Control for Satellite Set-Top

当前筛选条件