特性
- Single-Chip Power Solution
- Operation for 1-Tuner/1-Dish Applications
- Integrated DC/DC Converter and I2C Interface
- Integrated Boost MOSFET
- Switch-Mode Power Converter for Lowest Dissipation
- 490kHz Boost Switching Frequency
- Boost PWMs with > 92% Efficiency
- Selectable 13.5V or 18.5V Outputs
- I2C and Pin Controllable Output
- 31V Output Back-Bias Capability
- Built-in Tone Oscillator Factory
- Facilitates DiSEqC (EUTELSAT) Encoding
- Trimmed to 22kHz - External Modulation Input
- DiSEqC 2.0 Support and Diagnostics
- Internal Overvoltage, Undervoltage, Overcurrent Protection, Over-Temperature Flags Accessible through the I2C Interface and Fault Signal Status Pin
- Short-Circuit Protection
描述
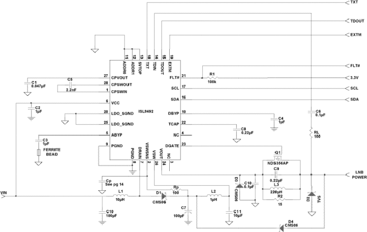
The ISL9492 is a highly integrated voltage regulator and interface IC specifically designed for supplying power and control signals from advanced satellite set-top box (STB) modules to the low noise blocks (LNB) of a single antenna port. It also supports DiSEqC tone generation and modulation with diagnostic status read-back. Controlling the ISL9492 is simple via the I2C bus by writing 8 bit words onto the System Registers (SR). The device design makes the total LNB supply design simple, efficient and compact with low external component count by integrating Boost power MOSFET, current-mode boost PWM and a low-noise linear regulator. The current-mode boost converters provide the linear regulator with input voltage that is set to the final output voltages, plus typically 0.9V to insure minimum power dissipation across each linear regulator. The LNB output voltage can be controlled in two ways; by full control from I2C using the VTOP and VBOT bits or by setting the I2C to the lower range and switching to higher range with the select VTOP pin. The External modulation input EXTM accepts a modulated DISEqC command and transfers it symmetrically to the output. The EXTM pin can be used to modulate the continuous internal tone. The fault signal serves as an interrupt for the processor when any condition turns OFF the LNB controller (over-temperature, overcurrent, disable). The states of these flags to the faults can be thoroughly examined through the I2C registers.
产品参数
| 属性 | 值 |
|---|---|
| Input Voltage (Min) (V) | 8 |
| Input Voltage (Max) (V) | 14 |
| Output Voltage (Min) (V) | 13.5 |
| Output Voltage (Max) (V) | 20 |
| Fixed Output Voltage Option | No |
| Qualification Level | Standard |
封装选项
| Pkg. Type | Pkg. Dimensions (mm) | Lead Count (#) | Pitch (mm) |
|---|---|---|---|
| TQFN | 4.0 x 4.0 x 0.75 | 28 | 0.4 |
应用
- LNB Power Supply and Control for Satellite Set-Top Box
当前筛选条件