| CAD 模型: | View CAD Model |
| Pkg. Type: | QFN |
| Pkg. Code: | LJR |
| Lead Count (#): | 40 |
| Pkg. Dimensions (mm): | 5.99 x 5.99 x 0.90 |
| Pitch (mm): | 0.5 |
| Moisture Sensitivity Level (MSL) | |
| Pb (Lead) Free | No |
| RoHS (ISL9501CRZ) | 下载 |
| ECCN (US) | |
| HTS (US) |
| Lead Count (#) | 40 |
| Carrier Type | Tube |
| Pkg. Dimensions (mm) | 6.0 x 6.0 x 0.90 |
| Pb (Lead) Free | No |
| Temp. Range (°C) | 0 to +70°C |
| DDR Capable | No |
| Lead Compliant | No |
| Length (mm) | 6 |
| Linear Output | No |
| MOQ | 1000 |
| Outputs (#) | 1 |
| Parametric Applications | Microprocessors in notebook computers |
| Parametric Category | Buck Controllers (External FETs) |
| Pitch (mm) | 0.5 |
| Pkg. Type | QFN |
| Qualification Level | Standard |
| Switching Frequency Range (Typical) (kHz) | 250 - 500 |
| Tape & Reel | No |
| Thickness (mm) | 0.9 |
| Topology [Rail 1] | Buck |
| VID | Yes |
| Width (mm) | 6 |
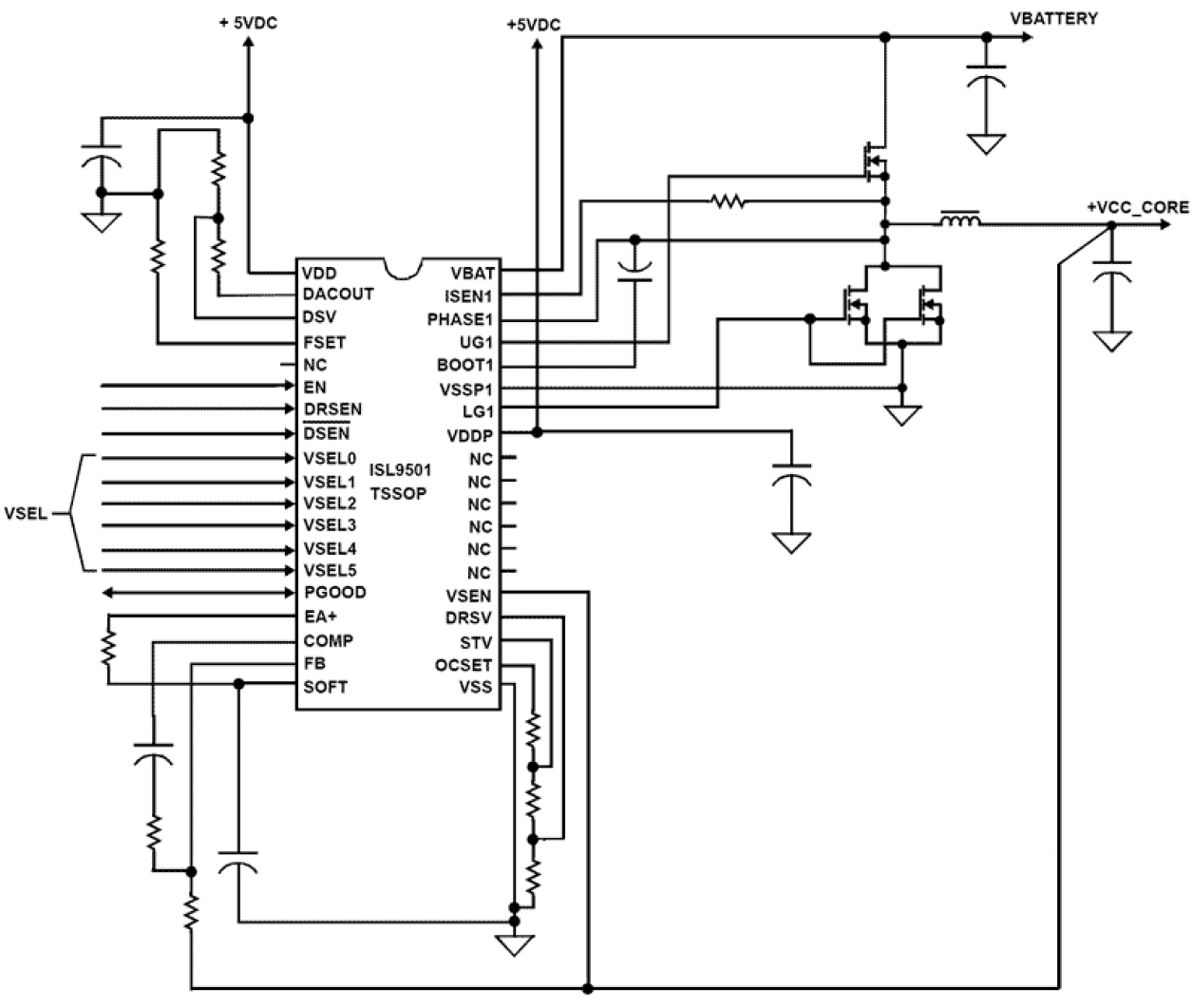
The ISL9501 Single-phase Buck PWM control IC, with integrated half bridge gate drivers, proVSELes a precision voltage regulation system for microprocessors in notebook computers. Single-phase operation proVSELes flexibility in meeting the requirements of the latest microprocessors. This control IC also features both input voltage feed-forward and average current mode control for excellent dynamic response, “Loss-less” current sensing using MOSFET rDS(ON) and user selectable switching frequencies from 250kHz to 500kHz. The ISL9501 includes a 6-bit digital-to-analog converter (DAC) that dynamically adjusts the CORE PWM output voltage. The ISL9501 also has logic inputs to select Active, Deep Sleep and Deeper Sleep modes of operation. A precision reference, remote sensing and proprietary architecture, with integrated, processor-mode, compensated “Droop”, proVSELe excellent static and dynamic CORE voltage regulation. To improve efficiency at light loading, the ISL9501 will operate in diode emulation in Deep and Deeper Sleep modes. Another feature of this IC controller is the PGOOD monitor circuit that is held low until CORE voltage increases (during its soft-start sequence) to within 12% of the “Boot” voltage. This PGOOD signal is masked during VSEL changes. Output overcurrent, overvoltage and undervoltage are monitored and result in the converter latching off and PGOOD signal being held low. The overvoltage and undervoltage thresholds are 112% and 84% of the VSEL, Deep or Deeper Sleep setpoint, respectively. Overcurrent protection features a 32 cycle overcurrent shutdown. PGOOD, overvoltage, undervoltage and overcurrent proVSELe monitoring and protection for the microprocessor and power system. The ISL9501 IC is available in a 38 Ld TSSOP and a 40 Ld QFN.