特性
- Buck-boost NVDC charger for 1-, 2-, 3-, or 4-cell Li-ion batteries
- Input voltage range 3.2V to 23.4V (no dead zone)
- System output voltage 3V to 18.304V
- Autonomous charging option (automatic end of charge and recharge)
- Up to 1MHz switching frequency
- Adapter current and battery current monitor (AMON/BMON)
- PROCHOT# open-drain output, IMVP compliant
- Allows trickle charging of depleted batteries
- Ideal diode control in Turbo mode
- Reverse buck, boost, and buck-boost operation from battery
- Two-level adapter current limit available
- Battery Ship mode option
- SMBus and auto-increment I2C compatible
- 4mm x 4mm 32 Ld TQFN package
描述
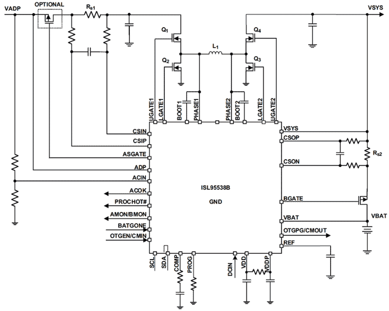
The ISL95538B is a buck-boost Narrow Output Voltage DC (NVDC) charger. The ISL95538B provides the NVDC charging function, system bus regulation, and protection features for tablet, Ultrabook, and notebook platforms. The advanced Renesas R3™ Technology provides high light-load efficiency and fast transient response. In Charging mode, the ISL95538B takes input power from a wide range of DC power sources (such as conventional AC/DC charger adapters, USB PD ports, travel adapters) and safely charges battery packs with up to 4-series cell Li-ion batteries. As an NVDC topology charger, the ISL95538B also regulates the system output to a narrow DC range for stable system bus voltage. The system power can be provided from the adapter, battery, or a combination of both. The ISL95538B can operate with only a battery, an adapter, or both connected. The ISL95538B supports reverse buck, boost, or buck-boost operation to the input port from 2- to 4-cell batteries. The ISL95538B has serial communication using SMBus/I2C that allows programming of many critical parameters to deliver a customized solution.
产品参数
| 属性 | 值 | 
|---|---|
| Topology [Rail 1] | Buck-Boost | 
| Input Voltage (Min) (V) | 3.2 | 
| Input Voltage (Max) (V) | 23.4 | 
| Input Current Limit Accuracy (% (±)) | 2 | 
| Battery Charge Voltage | 3 to 18.304 | 
| Charging Voltage Accuracy (Max) (±%) | 0.5 | 
| Battery Charge Voltage Adjustment | 8mV steps | 
| Charge Current Limit Accuracy | ±2 | 
| Trickle Charge Current Range | 64mA, 128mA, 256mA, or 512mA | 
| Switching Frequency Range (Typical) (kHz) | 733 - 1000 | 
封装选项
| Pkg. Type | Pkg. Dimensions (mm) | Lead Count (#) | Pitch (mm) | 
|---|---|---|---|
| TQFN | 4.0 x 4.0 x 0.70 | 32 | 0.4 | 
当前筛选条件
 
