跳转到主要内容

特性

  • Serial Data Bus
  • Dual Outputs:
  • Configurable 3-, 2- or 1-phase for the 1st Output using 2 integrated Gate Drivers
  • 1-phase for the 2nd Output using an Integrated Gate Driver
  • 0.5% System Accuracy Over-Temperature
  • Supports Multiple Current Sensing Methods
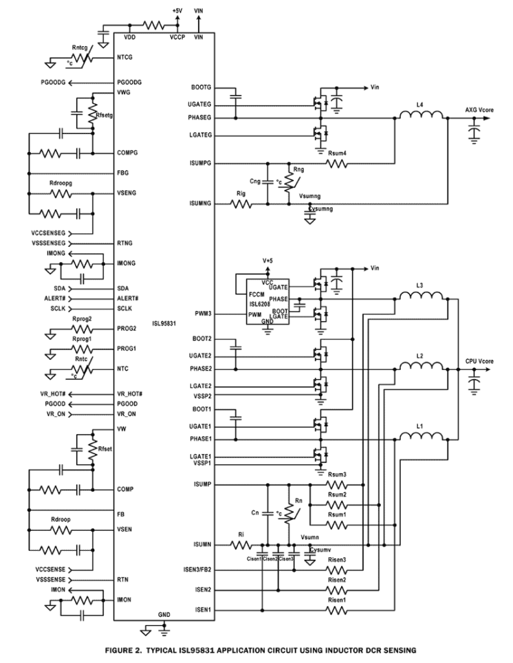
  • Lossless Inductor DCR Current Sensing
  • Precision Resistor Current Sensing
  • Differential Remote Voltage Sensing
  • Programmable VBOOT Voltage at Start-up
  • Resistor Programmable IMAX, TMAX for Both Outputs
  • Adaptive Body Diode Conduction Time Reduction

描述

Compliant with IMVP-7/VR12™, the ISL95831 provides a complete solution for microprocessor and graphic processor core power supply. It provides two Voltage Regulators (VRs) with three integrated gate drivers. The first VR can be configured as 3-, 2- or 1-phase VR while the second output is 1-phase VR, providing maximum flexibility. The two VRs share the serial control bus to communicate with the CPU and achieve lower cost and smaller board area compared with the two-chip approach. Based on Intersil's Robust Ripple Regulator (R3) technology™, the PWM modulator compared to traditional modulators, has faster transient settling time, variable switching frequency during load transients and has improved light load efficiency with It's ability to automatically change switching frequency. The ISL95831 has several other key features. Both outputs support DCR current sensing with single NTC thermistor for DCR temperature compensation or accurate resistor current sensing. Both outputs come with remote voltage sense, programmable VBOOT voltage, programmable IMAX, TMAX, adjustable switching frequency, OC protection and separate Power-Good.

应用

  • IMVP-7/VR12 Compliant Computers

当前筛选条件