跳转到主要内容
瑞萨电子 (Renesas Electronics Corporation)

特性

  • 串行数据总线
  • 双输出:
  • 使用集成栅极驱动器为第一输出配置的 1 相
  • 1 相用于使用集成栅极驱动器的第 2 个输出
  • 0.5% 系统精度(过温)
  • 支持多种电流感测方法
  • 无损电感 DCR 电流感测
  • 精密电阻电流感测
  • 差分遥感电压传感
  • 启动时可编程 VBOOT 电压
  • 电阻可编程 IMAX、TMAX 用于两个输出
  • 自适应体二极管导电时间缩短

描述

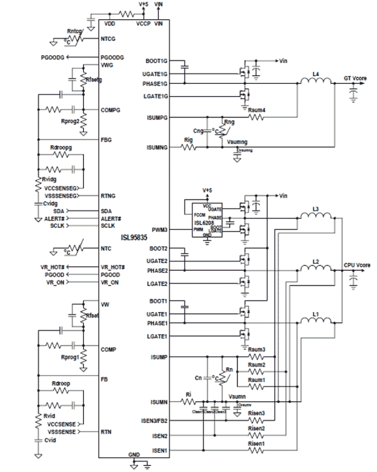
ISL95835 符合 IMVP-7/VR12™ 标准,为微处理器和图形处理器核心电源提供完整的解决方案。 该设备提供两个稳压器 (VR)(带有三个集成式栅极驱动器)。 第一个 VR 可以配置为 3 相、2 相或 1 相 VR,而第二个输出是 1 相 VR,可提供最大的灵活性。 与双芯片方法相比,两个 VR 共享串行控制总线以与 CPU 通信,并实现更低的成本和更小的电路板面积。 基于 Intersil 的鲁棒纹波调节器(R3)技术™,PWM 调制器与传统调制器相比,具有更快的瞬态建立时间,在负载瞬态期间可变的开关频率,并提高了轻负载效率,并具有自动改变开关频率的能力。 ISL95835 还有其他几个主要特征。 两路输出均支持 DCR 电流检测,使用单个 NTC 热敏电阻进行 DCR 温度补偿或精确的电阻电流检测。 两路输出均具有远程电压检测、可编程 VBOOT 电压、可编程 IMAX、TMAX、可调开关频率、OC 保护和独立的电源正常指示功能。 ISL95837 可以看作是专用于 1+1 应用的 ISL95835。 VR1 和 VR2 都是 1 相 VR。

应用

  • 符合 IMVP-7/VR12 标准的计算机

当前筛选条件