特性
- Supports Intel CEC requirements
- Supports Intel serial data bus interface
- SMBus/PMBus/I2C interface with SVID conflict free
- Droop, OVP, and OCP enable/disable
- Voltage offset adjustment
- Green hybrid digital R3 modulator
- Excellent transient response
- Phase shedding with power state selection
- Diode emulation in single-phase for high light-load efficiency
- Dual output controller
- Voltage regulator A: 4-, 3-, 2-, or 1-phase designs with two +12V integrated gate drivers
- Voltage regulator B: 3-, 2-, or 1-phase designs with one +12V integrated gate driver
- 0.5% system accuracy over-temperature
- Supports multiple current-sensing methods
- Lossless inductor DCR current sensing
- Precision resistor current sensing
- Differential remote voltage sensing
- Resistor programmable address selection, IMAX, and switching frequency for both outputs
描述
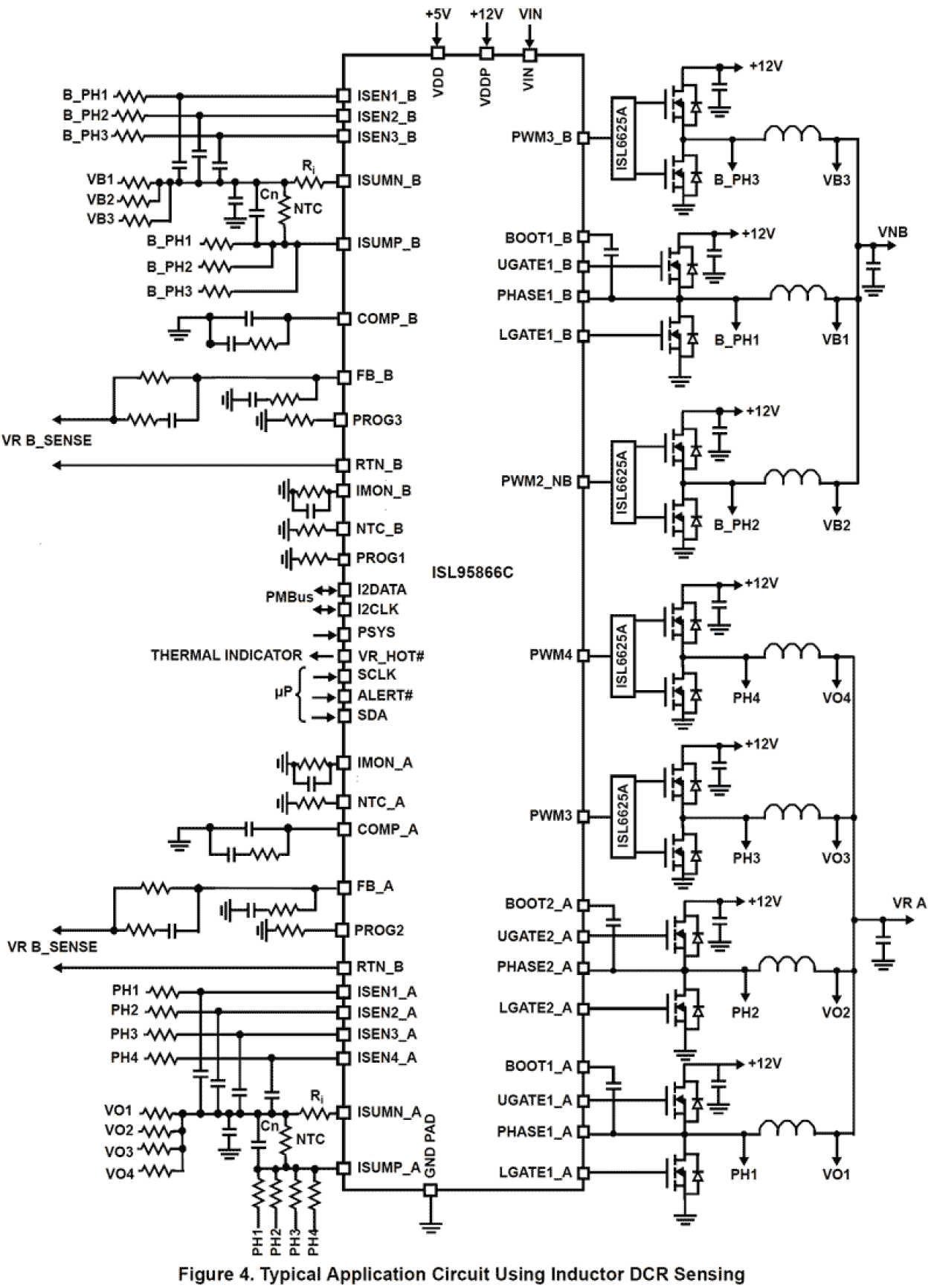
The ISL95866C is compliant with Intel IMVP8™, and provides a complete power solution for desktop microprocessors supporting core (IA), graphics (GT), or unsliced graphics (GTUS or GTX). The controller provides control and protection for two Voltage Regulators (VR). The first VR can be configured for 4-, 3-, 2-, or 1-phase operation. The second VR is configurable for 3-, 2-, or 1-phase operation. The VRs feature a programmable SVID address to allow maximum flexibility in supporting desktop processor SKUs. Both controller outputs share a common serial control bus to communicate with the CPU and achieve lower cost and smaller board area compared with a two-chip approach. Based on Intersil’s Robust Ripple Regulator R3™ technology, the R3 modulator has many advantages compared to traditional modulators. These include faster transient settling time, variable switching frequency in response to load transients, and improved light-load efficiency due to Diode Emulation Mode with load-dependent low switching frequency. The ISL95866C has several other key features. The controller features three integrated +12V gate drivers with two on the VR A output. The controller supports either DCR current sensing with a single NTC thermistor for DCR temperature compensation or more precision through resistor current sensing if desired. Both outputs feature remote voltage sense, programmable IMAX, adjustable switching frequency, OC protection, and a single VR_READY power-good indicator. The ISL95866C features an SMBus interface, which supports enabling or disabling droop, output voltage offset adjustment, and disabling of OVP and OCP protections.
产品参数
属性 | 值 |
---|---|
Outputs (Max) (#) | 2 |
Phases (Max) | 4+3 |
Input Voltage (Min) (V) | 9 |
Input Voltage (Max) (V) | 20 |
Output Voltage (Min) (V) | 0 |
Output Voltage (Max) (V) | 1.52 |
Output Current (Max) [Rail 1] (A) | 120 |
Bias Voltage Range (V) | 4.75 - 5.25 |
Parametric Applications | IMVP8 |
Qualification Level | Standard |
Temp. Range (°C) | -10 to +100°C |
封装选项
Pkg. Type | Pkg. Dimensions (mm) | Lead Count (#) | Pitch (mm) |
---|---|---|---|
QFN | 6.0 x 6.0 x 0.90 | 52 | 0.4 |
当前筛选条件