跳转到主要内容

特性

  • >90% Efficiency
  • 2.0A, 200mΩ Power MOSFET
  • 2.3V to 5.5V Input
  • 1.1*VIN up to 25V Output
  • 600kHz/1.2MHz Switching Frequency Selection
  • Adjustable Soft-Start
  • Internal Thermal Protection
  • 1.1mm Max Height 8 Ld MSOP Package
  • Pb-Free (RoHS compliant)
  • Halogen Free

描述

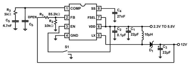
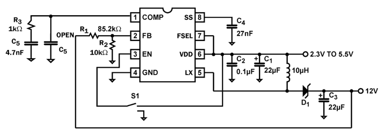
The ISL97519A is a high frequency, high efficiency step-up voltage regulator operated at constant frequency PWM mode. With an internal 2. 0A, 200mΩ MOSFET, it can deliver up to 1A output current at over 90% efficiency. Two selectable frequencies, 600kHz and 1. 2MHz, allow trade offs between smaller components and faster transient response. An external compensation pin gives the user greater flexibility in setting frequency compensation allowing the use of low ESR Ceramic output capacitors. When shut down, it draws <1µA of current and can operate down to 2. 3V input supply. These features, along with 1. 2MHz switching frequency, make it an ideal device for portable equipment and TFT-LCD displays. The ISL97519A is available in an 8 Ld MSOP package with a maximum height of 1. 1mm. The device is specified for operation over the full -40°C to +85°C temperature range.

应用方框图

Smart Water Actuator Block Diagram
智能水阀执行器
具备 LTE 和太阳能供电的自主水阀系统,用于漏水响应和远程灌溉。
Wireless Smart Door Lock Block Diagram
智能无线门锁
带有蓝牙低功耗、安全配对和 IoT 控制的 NFC 充电智能锁,可实现轻松、无线的访问。
Smart Water Shutdown Valve Block Diagram
智能关水阀
智能断水系统通过自动关闭、智能警报和太阳能操作防止水溢出损害。

其他应用

  • TFT-LCD displays
  • DSL modems
  • PCMCIA cards
  • Digital cameras
  • GSM/CDMA phones
  • Portable equipment
  • Handheld devices

当前筛选条件