| CAD 模型: | View CAD Model |
| Pkg. Type: | TQFN |
| Pkg. Code: | LGM |
| Lead Count (#): | 32 |
| Pkg. Dimensions (mm): | 5.00 x 5.00 x 0.75 |
| Pitch (mm): | 0.5 |
| Pb (Lead) Free | No |
| ECCN (US) | EAR99 |
| HTS (US) | 8542.39.0090 |
| Moisture Sensitivity Level (MSL) |
| Lead Count (#) | 32 |
| Carrier Type | Tube |
| Pb (Lead) Free | No |
| Temp. Range (°C) | -40 to +85°C |
| Boost Current Limit (A) | 2.8 |
| Gamma (#) | 2 |
| Input Voltage (Max) (V) | 5.5 |
| Input Voltage (Min) (V) | 2.6 |
| Input Voltage Range (V) | 2.6 - 5.5 |
| Length (mm) | 5 |
| MOQ | 600 |
| Off Voltage (Min) (V) | -25 |
| On Voltage (Max) (V) | 36 - 36 |
| On Voltage Range (V) | 15 - 36 |
| Pitch (mm) | 0.5 |
| Pkg. Dimensions (mm) | 5.0 x 5.0 x 0.75 |
| Pkg. Type | TQFN |
| Qualification Level | Standard |
| Thickness (mm) | 0.75 |
| VBOOST (V) | 3 - 18 |
| VCOM amplifiers (#) | 1 |
| VOFF/VN | -25 to -5 |
| Width (mm) | 5 |
Support is limited to customers who have already adopted these products.
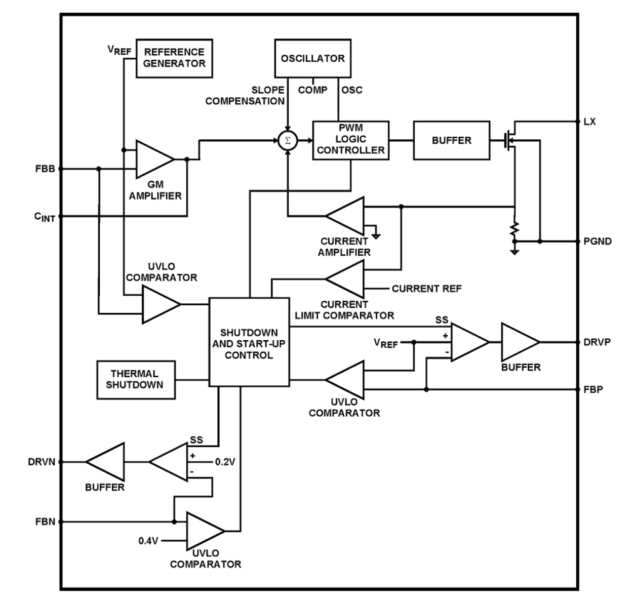
The ISL97642 integrates a high performance boost regulator with 2 LDO controllers for VON and VOFF, a VON-slice circuit with adjustable delay and three amplifiers for VCOM and VGAMMA applications. The boost converter in the ISL97642 is a current mode PWM type integrating an 18V N-Channel MOSFET. Using external low-cost transistors, the LDO controllers provide tight regulation for VON, VOFF, as well as providing start-up sequence control and fault protection. The amplifiers are ideal for VCOM and VGAMMA applications, with 150mA peak output current drive, 12MHz bandwidth, and 12V/µs slew rate. All inputs and outputs are rail-to-rail. Available in the 32 Ld thin QFN (5mmx5mm) Pb-free package, the ISL97642 is specified for operation over the -40°C to +85°C temperature range.