跳转到主要内容
瑞萨电子 (Renesas Electronics Corporation)

特性

  • 2.5V to 5.5V input
  • 1.5A, 0.18Ω integrated boost FET
  • VON /VOFF supplies generated by charge pumps driven by boost switch node
  • 600/1200kHz selectable switching frequency
  • Integrated gate pulse modulator
  • Reset signal generated by supply monitor
  • Integrated VCOM amplifier
  • DCP
  • I2C serial interface, address:100111, msb left
  • Wiper position stored in 8-bit nonvolatile memory and recalled on power-up
  • Endurance, 1,000 data changes per bit
  • UVLO, UVP, OVP, OCP, and OTP protection
  • Pb-free (RoHS compliant)
  • 28 Ld 4x5 QFN

描述

Support is limited to customers who have already adopted these products.

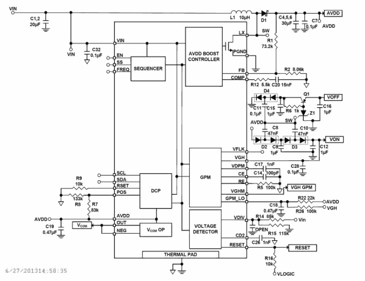
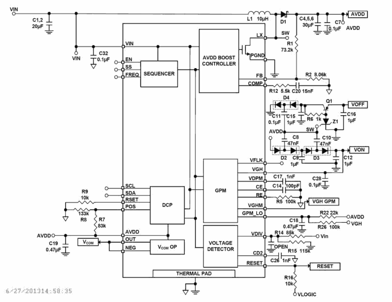
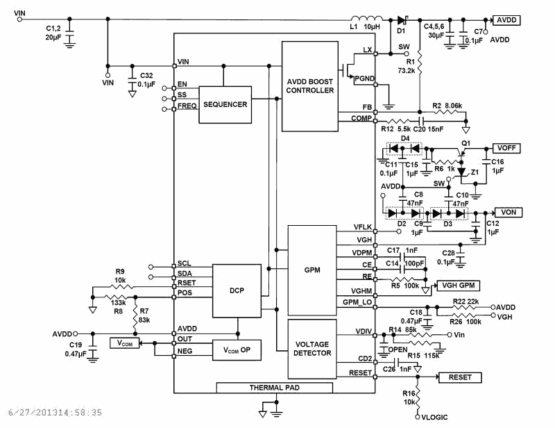
The ISL97649B is an integrated power management IC (PMIC) for TFT-LCDs used in notebooks, tablet PCs, and monitors. The device integrates a boost converter for generating AVDD. VON and VOFF are generated by a charge pump driven by the switching node of the boost. The ISL97649B also includes a VON slice circuit, reset function, and a high performance VCOM amplifier with DCP (Digitally Controlled Potentiometer) that is used as a VCOM calibrator. The AVDD boost converter features a 1. 5A /0. 18Ω boost FET with 600/1200kHz switching frequency. The gate pulse modulator can control gate voltage up to 30V, and both the rate and slew delay time are selectable. The supply monitor generates a reset signal when the system is powered down. The ISL97649B provides a programmable VCOM with I2C interface. One VCOM amplifier is also integrated in the chip. The output of VCOM is power-up with voltage at the last programmed 8-bit EEPROM setting.

应用

  • LCD notebook, tablet, and monitor

当前筛选条件