| CAD 模型: | View CAD Model |
| Pkg. Type: | QFN |
| Pkg. Code: | LMT |
| Lead Count (#): | 20 |
| Pkg. Dimensions (mm): | 3.99 x 3.00 x 0.90 |
| Pitch (mm): | 0.5 |
| Moisture Sensitivity Level (MSL) | 3 |
| Pb (Lead) Free | Yes |
| ECCN (US) | EAR99 |
| HTS (US) | 8542.39.0090 |
| RoHS (ISL97671AIRZ) | 下载 |
| Lead Count (#) | 20 |
| Carrier Type | Tube |
| Moisture Sensitivity Level (MSL) | 3 |
| Pb (Lead) Free | Yes |
| Pb Free Category | Pb-Free 100% Matte Tin Plate w/Anneal-e3 |
| Temp. Range (°C) | -40 to +85°C |
| Country of Assembly | MALAYSIA |
| Country of Wafer Fabrication | TAIWAN |
| Backlight for LCD Size (inches) | 17 - 17 |
| Brightness Control | SMBus, PWM or DC |
| Channels (#) | 6 |
| Fault Switch | Yes |
| Frequency Range (MHz) | 0.6 - 1.2 |
| IQ (Max) (μA) | 5 |
| IS (mA) | 5 |
| ISW (Typical) (mA) | 2000 |
| Input Voltage (Max) (V) | 26.5 |
| Input Voltage (Min) (V) | 4.5 |
| Input Voltage Range (V) | 4.5 - 26.5 |
| Integrated Diode | No |
| Interface | SMBus/I2C |
| LEDs (#) | 78 |
| Length (mm) | 4 |
| MOQ | 1500 |
| Output Current Max/Channel (mA) | 50 |
| Output Voltage (Max) (V) | 45 |
| Over Voltage Protection | Yes |
| Parametric Category | Backlight LED Drivers |
| Peak Efficiency (%) | 92.9 |
| Pitch (mm) | 0.5 |
| Pkg. Dimensions (mm) | 4.0 x 3.0 x 0.90 |
| Pkg. Type | QFN |
| Price (USD) | $1.94215 |
| Qualification Level | Standard |
| Thickness (mm) | 0.9 |
| Topology [Rail 1] | Inductor Boost |
| Total Current for DC/DC Lighting (mA) | 300 |
| Width (mm) | 3 |
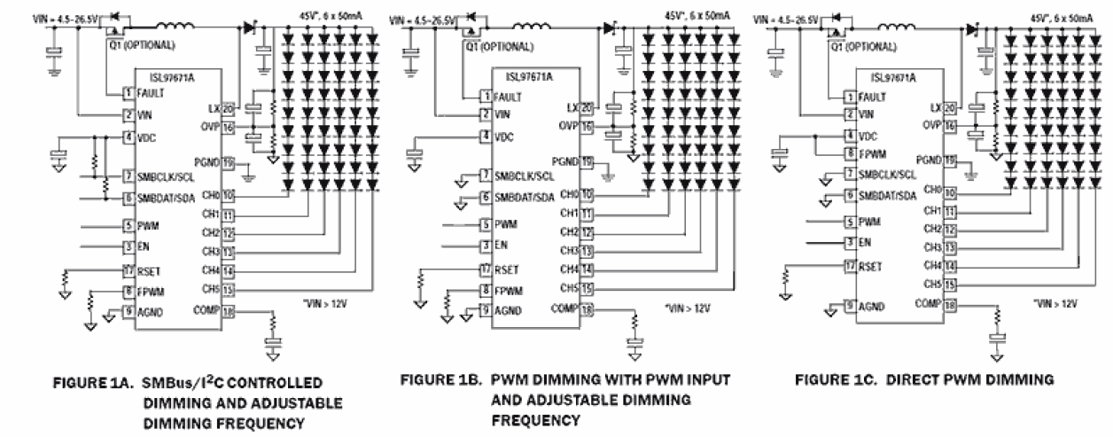
The ISL97671A is a 6-Channel 45V dual dimming capable LED driver that can be used with either SMBus/I2C or PWM signal for dimming control. The ISL97671A can drive six channels of LEDs from an input of 4. 5V~26. 5V to an output of up to 45V. It can also operate from an input as low as 3V to an output of up to 26. 5V in bootstrap configuration. The ISL97671A features optional channel phase shift control to minimize the input/output ripple characteristics, and load transients to improve efficiency and eliminate audible noise. The device can also be configured for Direct PWM Dimming with a minimum dimming duty cycle of 0. 007% at 200Hz. The ISL97671A headroom control circuit monitors the highest LED forward voltage string for output regulation, to minimize the voltage headroom and power loss in a typical multi-string operation. The ISL97671A is offered in a compact and thermally efficient 20 Ld QFN 4mmx3mm package.