跳转到主要内容

特性

  • 6 x 50mA channels
  • 4.5V to 26.5V input with 45V maximum output
  • 3V to 21V input with 26.5V maximum output
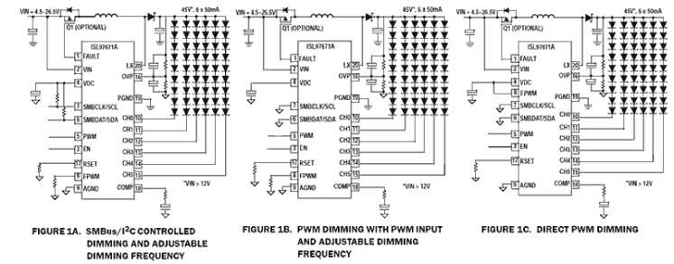
  • PWM dimming with phase shift control
  • SMBus/I2C controlled PWM or DC dimming
  • Direct PWM dimming
  • PWM dimming linearity
  • PWM dimming with adjustable dimming frequency and duty cycle linear from 0.4% to 100% <30kHz
  • Direct PWM dimming duty cycle linear from 0.007% to 100% at 200Hz
  • Current matching ±0.7%
  • 600kHz/1.2MHz selectable switching frequency
  • Dynamic headroom control
  • Fault protection
  • String open/short-circuit, OVP, OTP, and optional output short-circuit fault protection
  • 20 Ld 4mmx3mm QFN package

描述

The ISL97671A is a 6-Channel 45V dual dimming capable LED driver that can be used with either SMBus/I2C or PWM signal for dimming control. The ISL97671A can drive six channels of LEDs from an input of 4. 5V~26. 5V to an output of up to 45V. It can also operate from an input as low as 3V to an output of up to 26. 5V in bootstrap configuration. The ISL97671A features optional channel phase shift control to minimize the input/output ripple characteristics, and load transients to improve efficiency and eliminate audible noise. The device can also be configured for Direct PWM Dimming with a minimum dimming duty cycle of 0. 007% at 200Hz. The ISL97671A headroom control circuit monitors the highest LED forward voltage string for output regulation, to minimize the voltage headroom and power loss in a typical multi-string operation. The ISL97671A is offered in a compact and thermally efficient 20 Ld QFN 4mmx3mm package.

产品参数

属性
Channels (#)6
LEDs (#)78
Total Current for DC/DC Lighting (mA)300
Output Current Max/Channel (mA)50
Output Voltage (Max) (V)45
Backlight for LCD Size (inches)17 - 17
Brightness ControlSMBus, PWM or DC
Frequency Range (MHz)0.6 - 1.2
Input Voltage (Min) (V)4.5
Input Voltage (Max) (V)26.5
Input Voltage Range (V)4.5 - 26.5
Integrated DiodeNo
InterfaceSMBus/I2C
Fault SwitchYes
IQ (Max) (μA)5
IS (mA)5
ISW (Typical) (mA)2000
Over Voltage ProtectionYes
Peak Efficiency (%)92.9
Topology [Rail 1]Inductor Boost

封装选项

Pkg. TypePkg. Dimensions (mm)Lead Count (#)Pitch (mm)
QFN4.0 x 3.0 x 0.90200.5

应用方框图

Interactive block diagram of the digital otoscope system features a dual/quad Arm Cortex-A55 CPU, Wi-Fi/Bluetooth Low Energy module and Arm Ethos-U55 NPU.
数字耳镜
用于高分辨率内耳成像和诊断的数字耳镜系统。

其他应用

  • Tablet PC to notebook displays LED backlighting
  • LCD monitor LED backlighting
  • Field sequential RGB LED backlighting

当前筛选条件