| CAD 模型: | View CAD Model |
| Pkg. Type: | SOIC-7 |
| Pkg. Code: | |
| Lead Count (#): | 7 |
| Pkg. Dimensions (mm): | |
| Pitch (mm): |
| Pb (Lead) Free | |
| Moisture Sensitivity Level (MSL) | |
| ECCN (US) | |
| HTS (US) |
| Lead Count (#) | 7 |
| Protection Features | OVP (w/ Latch), OTP, IUVP, PCL/OCP, SRSC |
| Advanced Features | Active Start-Up, EZ-EMI, Fast DLR, PrimAccurate, SmartDefender |
| Application | Adapters, Chargers |
| Control Mode | Primary-Side Regulation Peak Current Mode DCM |
| Controller / Integrated | Controller |
| No Load Power (mW) | 10 |
| Output Power (Min) (W) | 1 |
| Output Power Max (W) | 10 |
| PWMs (#) | 1 |
| Parametric Category | Flyback & Forward Controllers |
| Pass Device | BJT |
| Pkg. Type | SOIC-7 |
| Qualification Level | Standard |
| Switching Frequency (KHz) | 78 - 78 |
| Topology Characteristic | Flyback |
| UVLO Falling (V) | 4.5 |
| UVLO Rising (V) | 14.5 |
| VBIAS (Max) (V) | 20 |
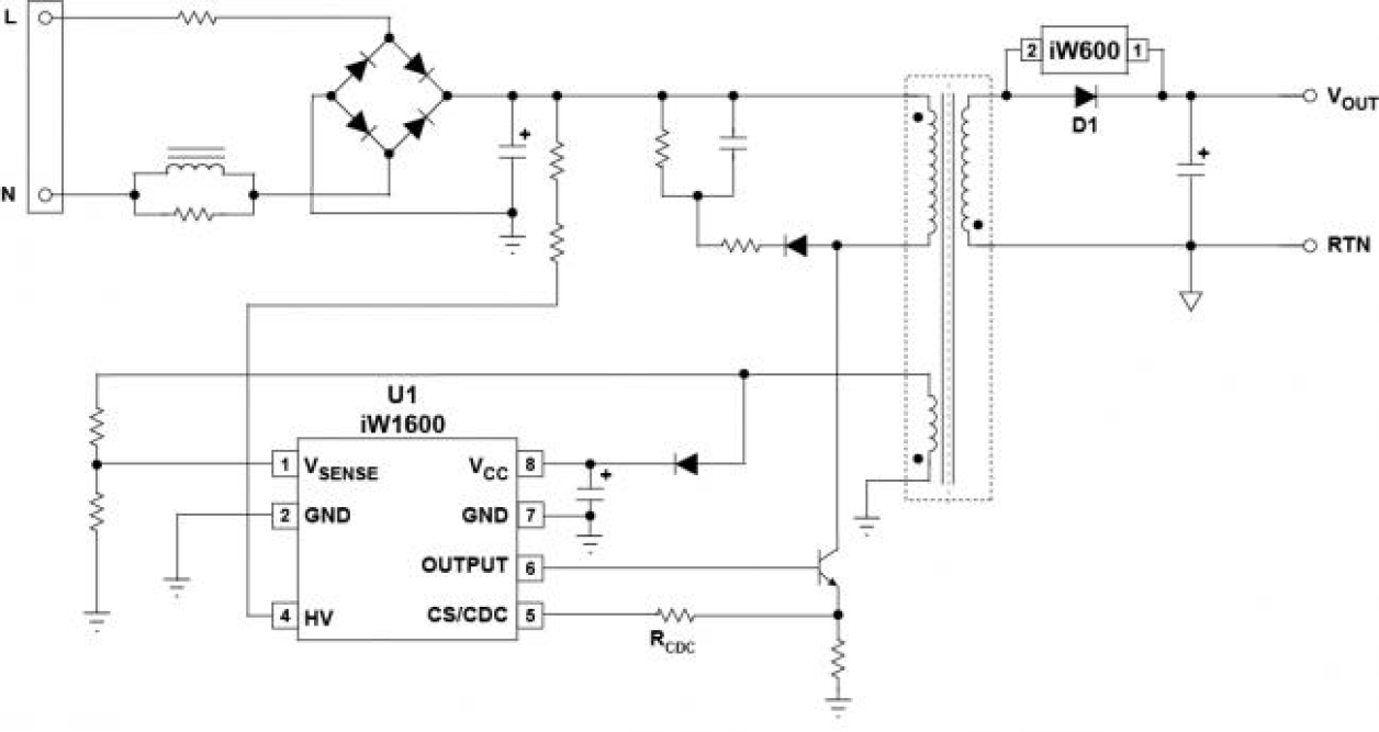
The iW1600 PWM controller works with Renesas' iW600 secondary-side voltage position controller for ultra-fast dynamic load response, while PrimAccurate™ primary-side control eliminates the need for an optocoupler.
The iW1600 directly drives a bipolar junction transistor (BJT) for softer switching versus FETs, improving EMI and reducing the number of EMI filtering components.
With no-load power consumption of <10mW, the iW1600 integrates an active start-up circuit for the shortest start-up time without sacrificing no-load power consumption.
Comprehensive protection features include SmartDefender™ advanced hiccup technology to help address soft short circuits in cables and connectors.
Works with the iW600 voltage position controller for ultra-fast DLR.