跳转到主要内容
瑞萨电子 (Renesas Electronics Corporation)

特性

  • Fast System Output Voltage Detection and Response Time
  • Works via the Flyback Transformer
    • Eliminates Need for Optocoupler
  • No External Components Needed
    • Only Two Pins Needed
  • Enables <10mW No-Load Power Consumption Travel Adapter Solutions
  • 3-Lead SOT-23 and 2-Lead DFN Packages

描述

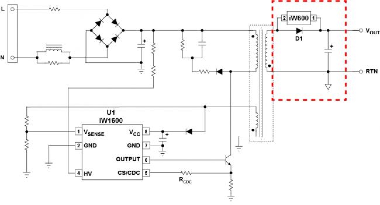
The iW600 secondary-side voltage position controller works with Renesas' iW1600-03 and iW1601 primary-side PWM controllers to enable travel adapters with very low no-load standby power and fast dynamic load response.

The iW600 works on the secondary side to detect dynamic load changes on the output and uses Renesas' patented technology to send a wake-up signal to the input via the main flyback transformer, eliminating the need for an optocoupler, reducing cost and improving reliability.

Working normally in an off-state with negligible current draw, the iW600 enables 10W travel adapters with no-load power consumption of <10mW when used with Renesas' iW1600-03 and <30mW with the iW1601 PrimAccurate™ digital AC/DC controllers.

Works with the iW1600-03, iW1601 and iW1602 primary-side PWM controllers.

应用

  • 10W Travel Adapters
  • AC/DC Chargers and Adapters

当前筛选条件