跳转到主要内容
瑞萨电子 (Renesas Electronics Corporation)
45W Rapid Charge™ AC/DC Digital Controller

封装信息

CAD 模型:View CAD Model
Pkg. Type:SOIC-8
Pkg. Code:
Lead Count (#):8
Pkg. Dimensions (mm):
Pitch (mm):1.27

环境和出口类别

Moisture Sensitivity Level (MSL)1
Pb (Lead) FreeYes
ECCN (US)EAR99
HTS (US)8542.39.0090

产品属性

Lead Count (#)8
Carrier TypeTape & Reel
Moisture Sensitivity Level (MSL)1
Pb (Lead) FreeYes
Temp. Range (°C)-40 to +125°C
Advanced FeaturesEZ-EMI, PrimAccurate, Rapid Charge, SmartDefender
ApplicationAdapters, Chargers
Control ModePrimary-Side Regulation Peak Current Mode DCM
Controller / IntegratedController
FET Driver Output Current (Max) (A)1
No Load Power (mW)20
Output Power Max (W)45
PWMs (#)1
Parametric CategoryFlyback & Forward Controllers
Pitch (mm)1.27
Pkg. TypeSOIC-8
Qty. per Reel (#)2500
Qualification LevelStandard
Switching Frequency (KHz)76 - 76
Topology CharacteristicFlyback
UVLO Falling (V)6.5
UVLO Rising (V)13.8
VBIAS (Max) (V)20

描述

Supports USB Power Delivery, Qualcomm® Quick Charge™ 4+, and Direct Charge Adapters; Companion to the iW657P USB PD 3.0 Controller

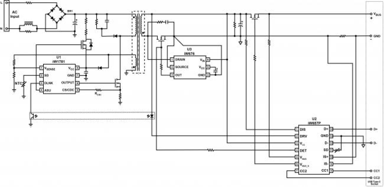
The iW1781 is a 45W output, high-performance AC/DC RapidCharge™ power supply controller that supports USB Power Delivery 3.0 (USB PD 3.0) and other rapid charging protocols.

It is optimized to work with Renesas' iW657P USB PD interface controller in mobile device adapters to achieve fast and smooth voltage transition on request from the mobile device. The iW657P accepts fast charging protocols, including USB PD 3.0. It transmits all necessary information via an optocoupler to the iW1781, including voltage requests, output current limits, output voltage undershoot, output overvoltage, and fault and reset signals.

A full array of protection features includes Renesas' SmartDefender™ advanced hiccup technology to address soft short circuits in charger cables and connectors, helping to prevent excessive heat build-up and damage.

See the iW1791 for reduced BOM cost USB PD 3.0 designs up to 27W.

Qualcomm Quick Charge is a product of Qualcomm Technologies, Inc.