特性
- Configurable PF to Manage Trade-Offs Between PF and Output Ripple
- PF from >0.7 (Lower Ripple) to >0.95 (Higher Ripple)
- Low THD <20%
- Single-Stage LED Driver in SOT23 6-pin Package
- Two Dual-Function Pins - Allows for Functionality of an 8-pin Part in a 6-pin Package
- Ideal for 45W Offline Solid-State Lighting Applications
- User-Configurable LED Derating Over-Temperature Protection
- Works with an External NTC or Internal Sensor
- Selectable Temperature Threshold and Derating Percentage
- Maintains Light Output in Fault Condition
- Hysteresis Allows Smooth Transition Back to Normal Operation
- Fully Protected
- Overvoltage/Over-Temperature Protection
- Output Overvoltage, Overcurrent and Short Circuit
- Open LED Fault Detection
- Sense-Resistor Short Circuit Protection
描述
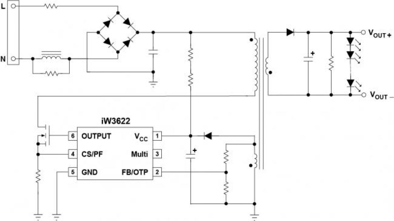
The iW3622 integrates high power factor (PF), low output ripple and low total harmonic distortion (THD) in a single-stage solid-state lighting (SSL) LED driver for isolated and non-isolated, high-power, non-dimmable LED replacement bulbs and LED ballasts.
The iW3622 integrates a unique hybrid control scheme with configurable power factor between >0.7 and >0.95, to manage the trade-off between PF and LED output current ripple. This unique feature enables high PF and low ripple in a low-cost solution. And, by using a MOSFET switch, the device is capable of driving LEDs in solutions up to 45W of output power. The iW3622 reduces the BOM cost and solution size by incorporating Renesas' proprietary PrimAccurate™ technology, eliminating the need for a secondary-side regulator and optical feedback isolator. Renesas' advanced technology allows for the functionality and performance of an 8-pin part in a small SOT23 6-pin package.
For step-down (buck)-only 45W applications, see the iW3625.
产品参数
| 属性 | 值 |
|---|---|
| Function | Non-Dimmable |
| Output Power Max (W) | 45 |
| Switching Frequency (KHz) | 72 - 72 |
| No Load Power (mW) | 100 |
| Optimal VIN (V) | 90 - 277 |
| Stages | Single-Stage |
| Controller / Integrated | Controller |
| Key Features | PrimAccurate, EZ-EMI |
| Protection Features | OVP, SRSC, PCL/OCP, IOVP, External NTC OTP, OVP, SRSC, PCL/OCP, IOVP, Internal OTP |
| Dimmer Functions Supported | No Dimmer Support |
| Pass Device | FET |
| Power Factor Correction | >0.95 |
| LED Current Accuracy (%) | 5 |
| Output Power (Min) (W) | 3 |
封装选项
| Pkg. Type | Lead Count (#) | Pitch (mm) |
|---|---|---|
| SOT23-6L | 6 | 0.95 |
应用
- Solid-State Lighting
- LED Lighting Ballast
当前筛选条件