| CAD 模型: | View CAD Model |
| Pkg. Type: | SOIC-8 |
| Pkg. Code: | |
| Lead Count (#): | 8 |
| Pkg. Dimensions (mm): | |
| Pitch (mm): | 1.27 |
| Moisture Sensitivity Level (MSL) | 1 |
| Pb (Lead) Free | Yes |
| ECCN (US) | |
| HTS (US) |
| Lead Count (#) | 8 |
| Carrier Type | Tape & Reel |
| Moisture Sensitivity Level (MSL) | 1 |
| Pb (Lead) Free | Yes |
| Advanced Features | PrimAccurate, EZ-EMI |
| Application | Solid State Lighting |
| Controller / Integrated | Controller |
| Dimmer Functions Supported | No Dimmer Support |
| Function | Non-Dimmable |
| Key Features | PrimAccurate, EZ-EMI |
| LED Current Accuracy (%) | 5 |
| No Load Power (mW) | 100 |
| Optimal VIN (V) | 90 - 264 |
| Output Power (Min) (W) | 1 |
| Output Power Max (W) | 20 |
| Parametric Category | Solid State Lighting Driver ICs |
| Pass Device | BJT |
| Pitch (mm) | 1.27 |
| Pkg. Type | SOIC-8 |
| Power Factor Correction | >0.9 |
| Protection Features | OVP, SRSC, PCL/OCP, IOVP, OTP |
| Qty. per Reel (#) | 2500 |
| Stages | Single-Stage |
| Switching Frequency (KHz) | 72 - 72 |
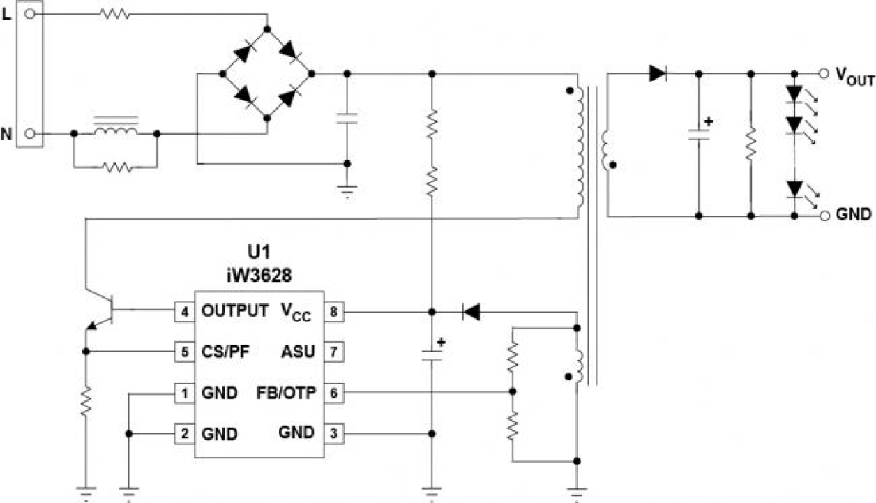
The iW3628 integrates high power factor (PF), low output ripple and low total harmonic distortion (THD) in a single-stage solid-state lighting (SSL) LED driver for isolated and non-isolated, 20W, non-dimmable LED replacement bulb applications.
The iW3628 integrates a unique hybrid control scheme that allows designers to configure PF between >0.7 and >0.9 to manage the trade-off between PF and LED output current ripple. This unique feature enables high PF and low ripple from a low-cost solution.
The iW3628 reduces the BOM cost and solution size by incorporating Renesas' proprietary PrimAccurate™ technology, eliminating the need for a secondary side regulator and optical feedback isolator. It also uses lower-cost bipolar junction transistors (BJTs) so there is no need for high-voltage electrolytic capacitors.