特性
- Low Voltage Dimmable LED Lighting for MR16 - 12VAC and 10V to 24VDC
- Output Power: 4W to 8W
- Flexible Single-Stage or Two-Stage Design
- Drives Low Voltage LEDs and High Voltage Chip-on-Board (COB) LEDs
- Compatibility with Electronic Transformers (ET) and Magnetic Transformers (MT)
- Automatic Detection of ET or MT
- Wide Dimmer Compatibility - Leading Edge, Trailing Edge and Digital
- Deep Dimming Down to 5% (Dimmer Dependent)
- Low BOM Size/Cost
- Uses Low-Cost, Off-the-Shelf Inductor
- High-Frequency Operation for Smaller External Components
- Power Factor (PF) >0.7
- Fully Protected
- Overvoltage Protection
- Output Overvoltage, Overcurrent and Open-Load Protection
- Over-Temperature Protection and Derating
描述
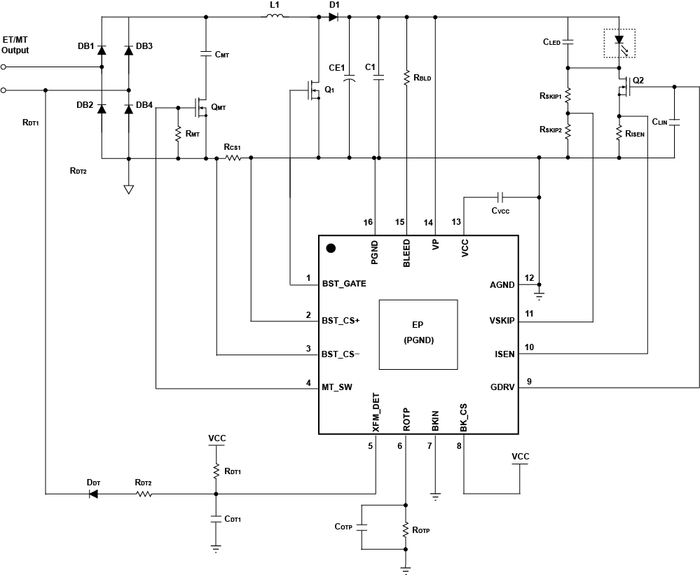
The iW3662 solid-state lighting (SSL) LED driver offers universal transformer compatibility and good dimmer compatibility for MR16 and other low-voltage lighting applications even with output power as low as 4W.
Renesas' digital control technology integrated into the iW3662 enables compatibility with electronic and magnetic transformers. The iW3662 automatically detects the transformer type and dynamically increases the peak loading to latch the transformer, ensuring compatibility with legacy electronic transformers, which present the most difficulty for MR16 LED replacement bulbs. The iW3662 also detects and works with virtually any dimmer across a wide dimming range of 5% to 100%.
Full protection features include Renesas' unique over-temperature protection (OTP) derating, which monitors the temperature inside the sealed LED bulb and seamlessly reduces the drive to the LEDs if the temperature rises above a safe operating threshold, it then restores brightness as temperature falls. The iW3662 integrates the temperature sensor and allows the user to configure the OTP thresholds.
产品参数
| 属性 | 值 |
|---|---|
| Function | Dimmable |
| Output Power Max (W) | 8 |
| Switching Frequency (KHz) | 250 - 250 |
| Optimal VIN (V) | 12 - 24 |
| Stages | Single-Stage and Dual-Stage |
| Dim Range (Min) (%) | 5 |
| Dim Range (Max) (%) | 100 |
| Controller / Integrated | Controller |
| Key Features | Boost Buck Optimized, MR16 Applications, Flickerless, EZ-EMI, Boost Linear Optimized, MR16 Applications, Flickerless, EZ-EMI |
| Protection Features | OVP, OCP, OTP |
| Dimmer Functions Supported | Leading Edge, Trailing Edge, Digital Dimmer |
| Pass Device | FET |
| Power Factor Correction | >0.7 |
| LED Current Accuracy (%) | 5 |
| Output Power (Min) (W) | 4 |
封装选项
| Pkg. Type | Pkg. Dimensions (mm) | Lead Count (#) | Pitch (mm) |
|---|---|---|---|
| QFN | 4 x 4 | 16 | 0.65 |
应用
- VAC or VDC Input Dimmable LED Lighting
- MR16 Replacement Bulbs, AR111 Fixtures/Bulbs
- Lighting System Using Electronic Transformer
当前筛选条件