| CAD 模型: | View CAD Model |
| Pkg. Type: | SOIC-8 |
| Pkg. Code: | |
| Lead Count (#): | 8 |
| Pkg. Dimensions (mm): | |
| Pitch (mm): |
| Pb (Lead) Free | |
| Moisture Sensitivity Level (MSL) | |
| ECCN (US) | |
| HTS (US) |
| Lead Count (#) | 8 |
| Advanced Features | PrimAccurate, EZ-EMI, Compact Design |
| Key Features | PrimAccurate, EZ-EMI, Compact Design |
| Optimal VIN (V) | 200 - 264 |
| Application | Solid State Lighting |
| Controller / Integrated | Controller |
| Dim Range (Max) (%) | 100 |
| Dim Range (Min) (%) | 1 |
| Dimmer Functions Supported | Leading Edge, Trailing Edge, Digital |
| Function | Dimmable |
| LED Current Accuracy (%) | 5 |
| Output Power (Min) (W) | 1 |
| Output Power Max (W) | 25 |
| Parametric Category | Solid State Lighting Driver ICs |
| Pass Device | FET |
| Peak Efficiency (%) | 85 |
| Pkg. Type | SOIC-8 |
| Power Factor Correction | >0.92 |
| Protection Features | OVP, IOVP, SRSC, PCL/OCP, OTP |
| Stages | Single-Stage |
| Switching Frequency (KHz) | 200 - 200 |
| 已发布 | Yes |
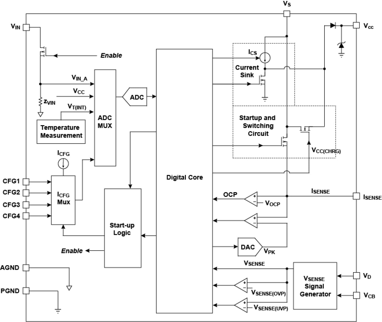
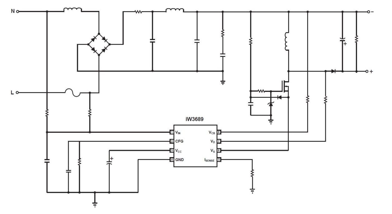
The iW3689 is a single-stage, high-performance SSL LED driver offering smooth, flicker- and shimmer-free dimming performance and exceptional compatibility with an ultra-wide range of phase-cut dimmers, including the most challenging TRIAC and digital dimmers.
Renesas' patented digital algorithms eliminate more than 20 components, including the external bleeder circuit, enabling integrated active biasing for high-performance dimming at a lower BOM cost compared to conventional bleeder circuits. The iW3689 also works with off-the-shelf inductors to further reduce the BOM.
Full protection features include Renesas' unique over-temperature protection (OTP) derating, which monitors the temperature inside the sealed LED bulb and seamlessly reduces the drive to the LEDs if the temperature rises above a safe operating threshold, it then restores brightness as the temperature falls. The iW3689 integrates the temperature sensor and allows the user to configure the OTP thresholds.
For higher power applications, see the iW3600 and iW3605 LED driver pages.