特性
- Supports Multiple RapidCharge Protocols:- USB-IF PD Certified (USB PD 2.0)
- Qualcomm Quick Charge 3.0
- Qualcomm Quick Charge 2.0
- Direct Charge
 
- Compatible with USB Type-C Rev. 1.2
- Supports Wide Output Voltage Range from 3V to 20V
- NMOS VBUS Switch Lowers System Cost
- Single Optocoupler for All Rapid Charge Information
- Low No-Load Power Consumption <20mW
- High Efficiency up to 90%
- Double-Layer Cable Protection:- Secondary side (iW656): D+/D-/CC1/CC2 Overvoltage Protection
- Primary side (iW1781 or iW1791): SmartDefender™ Smart Hiccup Technology Helps Protect Cables and Connectors from Excessive Heat and Damage by Reducing Average Power During Short Circuit by at Least 50%
 
描述
Supports USB Power Delivery, Qualcomm® Quick Charge™ 3.0 and 2.0, and Direct Charge Adapters
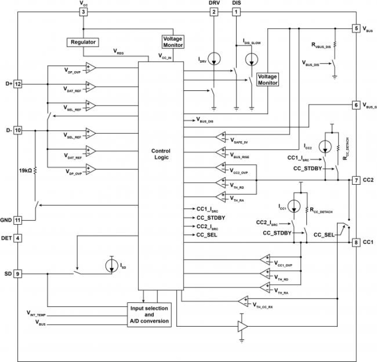
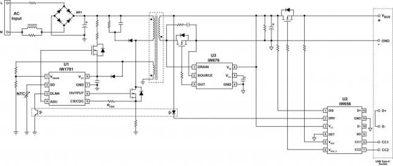
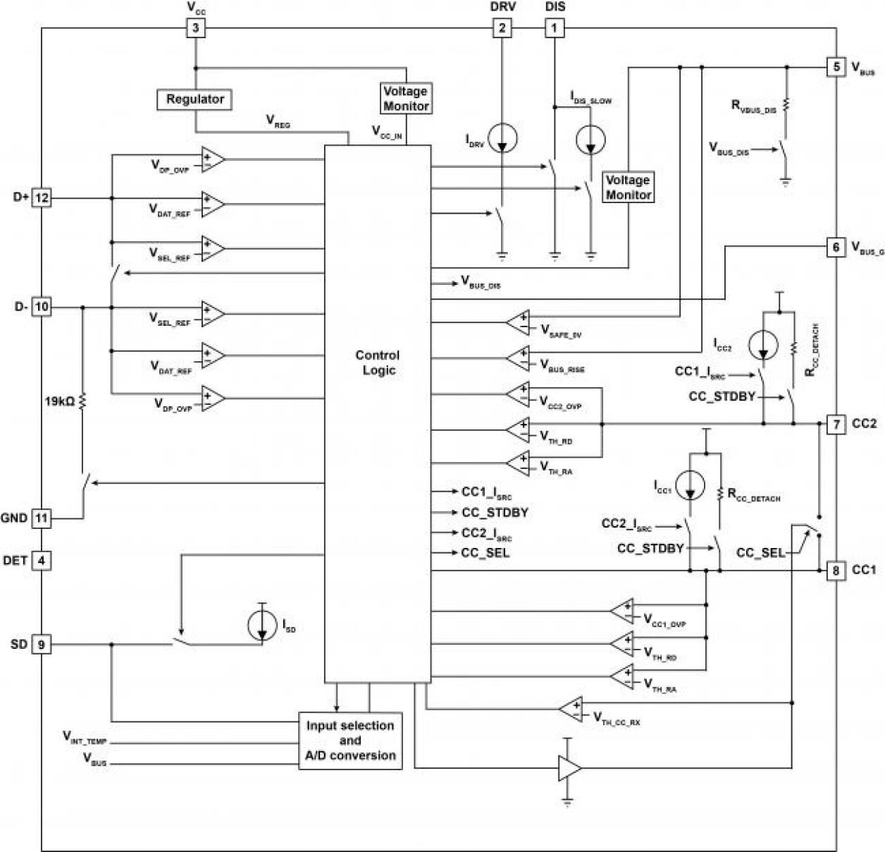
The iW656 USB Power Delivery (USB PD) interface controller resides on the secondary side of the AC/DC power supply and manages the communication between the power adapter and mobile device.
The iW656 works with Renesas' iW1781 or iW1791 RapidCharge™ primary-side controller and accepts fast charging protocols, including USB PD. It transmits all necessary information via an optocoupler to the primary side, including voltage requests, output current limits, output voltage undershoot, output overvoltage, and fault and reset signals.
The iW656 also works with Renesas' iW676 synchronous rectifier, which eliminates the need for a parallel Schottky diode for higher efficiency and lower BOM cost.
For USB PD 3.0 and Qualcomm Quick Charge 4+ applications, see the iW656P or iW657P.
应用
- RapidCharge AC/DC Power Adapters for Smartphones, Tablets and Other Mobile Devices Equipped with USB PD, Qualcomm Quick Charge 3.0, Qualcomm Quick Charge 2.0, Direct Charge Protocols
当前筛选条件
 
 
 
