跳转到主要内容

特性

  • 1.5GHz analog input bandwidth
  • 60fs clock jitter
  • Programmable gain, offset and skew control
  • Over-range indicator
  • Selectable clock divider: ÷1, ÷2 or ÷4
  • Clock phase selection
  • Nap and sleep modes
  • Two's complement, gray code or binary data format
  • DDR LVDS-compatible or LVCMOS outputs
  • Programmable built-in test patterns
  • Single-supply 1.8V operation
  • Pb-free (RoHS compliant)

描述

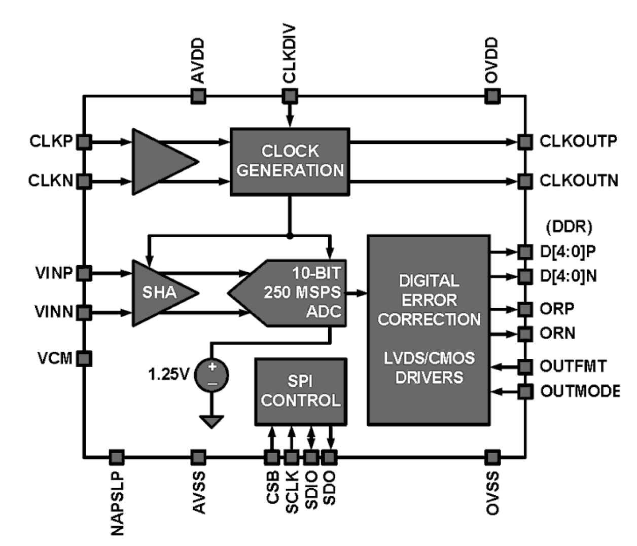
The KAD5510P is a family of low power, high performance 10-bit analog-to-digital converters. Designed with Intersil’s proprietary FemtoCharge™ technology on a standard CMOS process, the family supports sampling rates of up to 250MSPS. The KAD5510P is part of a pin-compatible portfolio of 10-, 12- and 14-bit A/Ds with sample rates ranging from 125MSPS to 500MSPS. A Serial Peripheral Interface (SPI) port allows for extensive configurability, as well as fine control of various parameters such as gain and offset. Digital output data is presented in selectable LVDS or CMOS formats. The KAD5510P is available in a 48 Ld QFN package with an exposed paddle. Operating from a 1. 8V supply, performance is specified across the industrial operating temperature range (-40°C to +85°C). Key Specifications $ SNR = 60. 7dBFS for fIN = 105MHz (-1dBFS) $ SFDR = 86. 1dBc for fIN = 105MHz (-1dBFS) $ Total Power Consumption $$ 234/189mW at 250/125MSPS (DDR Mode)

应用

  • Power Amplifier Linearization
  • Radar and Satellite Antenna Array Processing
  • Broadband Communications
  • High-Performance Data Acquisition
  • Communications Test Equipment
  • WiMAX and Microwave Receivers

当前筛选条件