跳转到主要内容
瑞萨电子 (Renesas Electronics Corporation)
2.5V/3.3V ECL 1:2 2.5V/3.3V ECL 1:2 Differential Fanout Buffer

封装信息

CAD 模型:View CAD Model
Pkg. Type:SOIC
Pkg. Code:DCG8
Lead Count (#):8
Pkg. Dimensions (mm):4.9 x 3.9 x 1.5
Pitch (mm):1.27

环境和出口类别

Pb (Lead) FreeYes
Moisture Sensitivity Level (MSL)3
ECCN (US)
HTS (US)

产品属性

Pkg. TypeSOIC
Lead Count (#)8
Pb (Lead) FreeYes
Carrier TypeTube
Core Voltage (V)2.5V, 3.3V
FunctionBuffer
Input Freq (MHz)3000
Input TypeLVPECL
Inputs (#)1
Length (mm)4.9
MOQ194
Moisture Sensitivity Level (MSL)3
Output Banks (#)1
Output Freq Range (MHz)3000
Output Skew (ps)20
Output TypeLVPECL
Output Voltage (V)2.5V, 3.3V
Outputs (#)2
Package Area (mm²)19.1
Pb Free Categorye3 Sn
Pitch (mm)1.27
Pkg. Dimensions (mm)4.9 x 3.9 x 1.5
Qty. per Carrier (#)97
Qty. per Reel (#)0
Requires Terms and ConditionsDoes not require acceptance of Terms and Conditions
Tape & ReelNo
Temp. Range (°C)0 to 70°C
Thickness (mm)1.5
Width (mm)3.9

描述

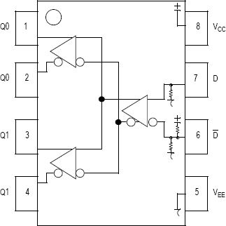
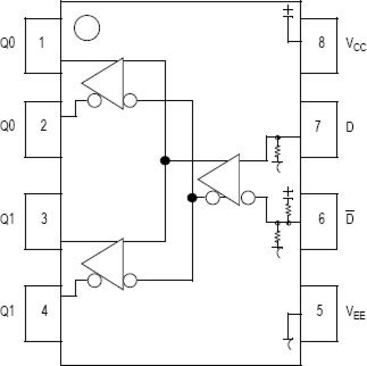
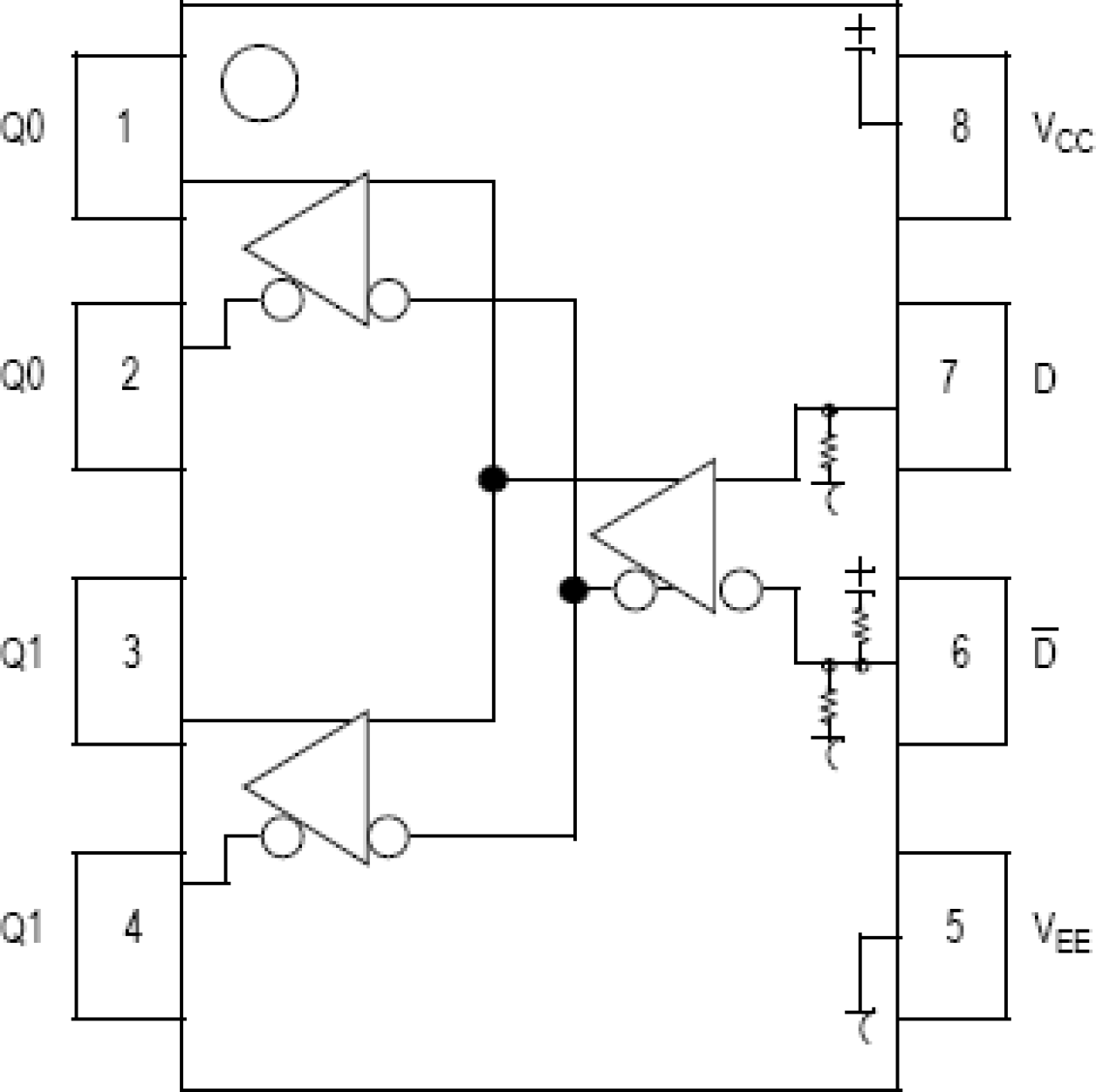
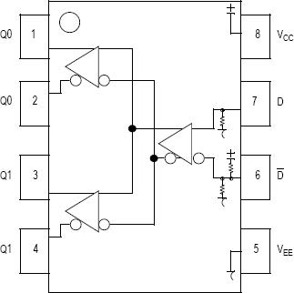
The MC100ES6011 is a differential 1:2 fanout buffer. The ES6011 is ideal for applications requiring lower voltage. The 100ES Series contains temperature compensation.