跳转到主要内容
瑞萨电子 (Renesas Electronics Corporation)

特性

  • Packaged as 28-pin SSOP (150 mil body)
  • Pb (lead) free package, RoHS compliant
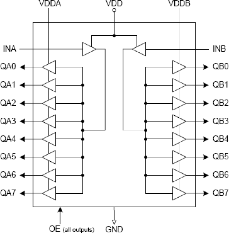
  • Dual one input to eight output clock drivers
  • Outputs are skew matched to within 250 ps
  • A outputs and B outputs matched to 250 ps
  • 2.5 V or 3.3 V output voltages
  • Output Enable tri-states each bank of eight
  • Clock speeds up to 200 MHz

描述

The MK74CB218 Buffalo™ is a monolithic CMOS high speed clock driver. It consists of two identical single input to eight low-skew output, non-inverting clock drivers. This eliminates concerns of part to part matching in many systems. The MK74CB218 is packaged in the tiny 28-pin SSOP, which uses the same board space as the narrow 16-pin SOIC. The inputs can be connected together for a 1 to 16 fanout buffer. A quad 1 to 4, and PECL versions, are also available. Consult IDT for more details. The MK74CB218 can also act as a voltage translator, since it is possible to run the inputs at 3.3 V and the outputs at 2.5 V.

当前筛选条件