跳转到主要内容
瑞萨电子 (Renesas Electronics Corporation)

特性

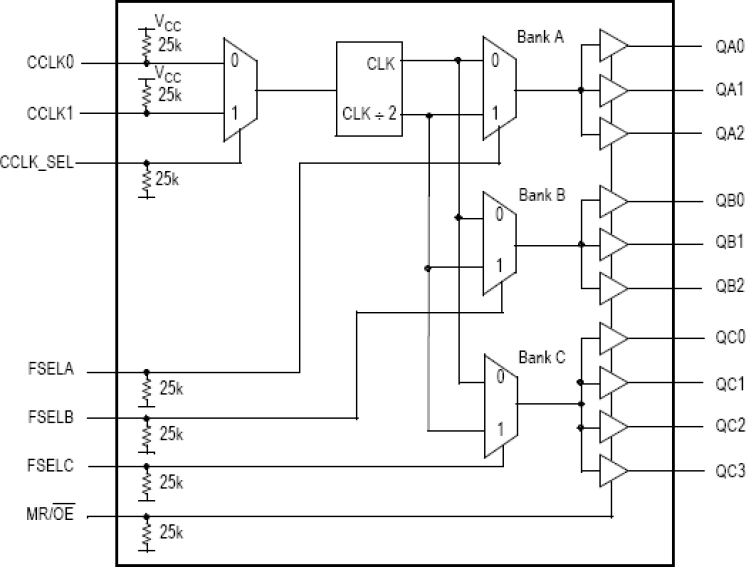
  • Configurable 10 outputs LVCMOS clock distribution buffer
  • Compatible to single, dual and mixed 3.3 V/2.5 V voltage supply
  • Wide range output clock frequency up to 250 MHz
  • Designed for mid-range to high-performance telecom, networking and computer applications
  • Supports applications requiring clock redundancy
  • Maximum output skew of 200 ps (150 ps within one bank)
  • Selectable output configurations per output bank
  • Tristable outputs
  • 32-lead LQFP package
  • 32-lead Pb-free package available
  • Ambient operating temperature range of –40 to 85°C

描述

The MPC9446 is a 2.5 V and 3.3 V compatible 1:10 clock distribution buffer designed for low-voltage mid-range to high-performance telecom, networking and computing applications. Both 3.3 V, 2.5 V and dual supply voltages are supported for mixed-voltage applications. The MPC9446 offers 10 low-skew outputs and 2 selectable inputs for clock redundancy. The outputs are configurable and support 1:1 and 1:2 output to input frequency ratios. The MPC9446 is specified for the extended temperature range of –40°C to 85°C.

当前筛选条件