| CAD 模型: | View CAD Model |
| Pkg. Type: | TQFP |
| Pkg. Code: | PRG32 |
| Lead Count (#): | 32 |
| Pkg. Dimensions (mm): | 7.0 x 7.0 x 1.4 |
| Pitch (mm): | 0.8 |
| Moisture Sensitivity Level (MSL) | 3 |
| Pb (Lead) Free | Yes |
| ECCN (US) | EAR99 |
| HTS (US) | 8542.39.0090 |
| Lead Count (#) | 32 |
| Carrier Type | Tray |
| Moisture Sensitivity Level (MSL) | 3 |
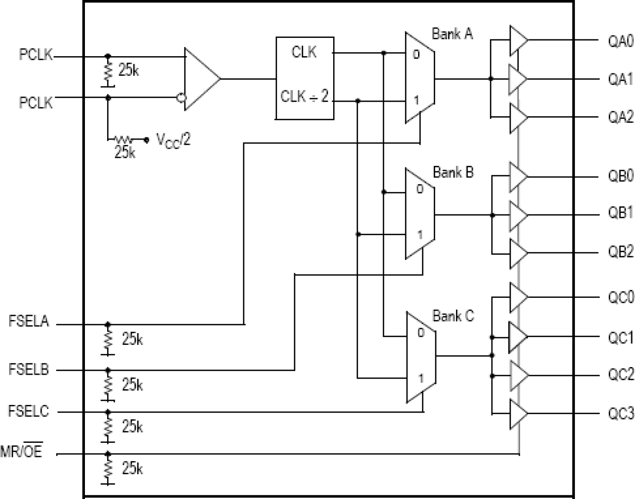
| Core Voltage (V) | 2.5V, 3.3V |
| Input Type | LVPECL |
| Inputs (#) | 1 |
| Output Skew (ps) | 150 |
| Output Voltage (V) | 2.5V, 3.3V |
| Qty. per Reel (#) | 0 |
| Qty. per Carrier (#) | 250 |
| Pb (Lead) Free | Yes |
| Pb Free Category | e3 Sn |
| Temp. Range (°C) | 0 to 70°C |
| Divider Value | 1, 2 |
| Function | Buffer, Divider |
| Input Freq (MHz) | 250 |
| Length (mm) | 7 |
| MOQ | 250 |
| Output Banks (#) | 3 |
| Output Freq Range (MHz) | 250 |
| Output Type | LVCMOS |
| Outputs (#) | 10 |
| Package Area (mm²) | 49 |
| Pitch (mm) | 0.8 |
| Pkg. Dimensions (mm) | 7.0 x 7.0 x 1.4 |
| Pkg. Type | TQFP |
| Requires Terms and Conditions | Does not require acceptance of Terms and Conditions |
| Tape & Reel | No |
| Thickness (mm) | 1.4 |
| Width (mm) | 7 |
| 已发布 | No |
The MPC9456 is a 2.5 V and 3.3 V compatible 1:10 clock distribution buffer designed for low-voltage mid-range to high-performance telecom, networking and computing applications. Both 3.3 V, 2.5 V and dual supply voltages are supported for mixed-voltage applications. The MPC9456 offers 10 low-skew outputs and a differential LVPECL clock input. The outputs are configurable and support 1:1 and 1:2 output to input frequency ratios. The MPC9456 is specified for the extended temperature range of –40 to 85°C.